Ralph Wagner
Dallmer GmbH + Co. KG
Wiebelsheidestr. 25
59757 Arnsberg
Deutschland
Alle Inhalte von Dallmer
Produktserien Produkte / BIM-Daten Ausschreibungstexte CAD-Details Architekturobjekte Alle Inhalte anzeigenPassende Suchbegriffe zu Dallmer
Duschrinnen Rückstauverschlüsse Duschflächen Duschabläufe Dachabläufe Bodenabläufe Kellerabläufe Kunststoff-Abläufe Rohrbelüfter Barrierefreie Duschen Brandschutz Sanitärablaufarmaturen Rohrformstücke Geräteanschlussarmaturen Parkdeckabläufe Punkt-Entwässerung Ablaufgarnituren Abläufe Urinalspülungen Entwässerung Ablauftechnik Sanitärräume Duschräume Entwässerungsanlagen BadezimmerBeschreibung
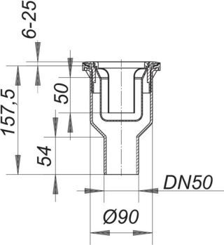
Duschwannenablaufgehäuse ORIO Vnach DIN EN 274
für flache Duschwannen mit einem Ablaufloch von d: 90 mm
Ausführung:
– senkrechter Ablaufstutzen DN 50
– Geruchsverschluss, herausnehmbar
– Bauschutzdeckel/Montageschlüssel
Material:
Polypropylen, hochschl
Downloads
Dokumente und Planungshilfen
GTIN
4001636160027
HAN
160027
Produktkategorie
Wannen-Ablaufgarnituren
Technische Bauteile
Armaturen
Ablaufarmaturen
Sanitäranlagen
Duschen
Medien, Stoffe
Abwasser
Ausführung Ablauf
Abgang senkrecht
Werkstoff
Polypropylen (PP)
Nennweite DN
50
Passende Inhalte zum Produkt "DALLMER ORIO Ablaufgehäuse V"
Passende Produktserie
Passende CAD-Details
Ähnliche Hersteller
Das könnte Sie auch interessieren