STRATE Technologie
für Abwasser GmbH
Im Kirchenfelde 9 + 11
31157 Sarstedt
Deutschland
Alle Inhalte von STRATE
Produktserien Produktdaten Ausschreibungstexte CAD-Details Alle Inhalte anzeigenPassende Suchbegriffe zu STRATE
Entwässerungsanlagen Pumpen-Abwasserhebeanlagen Abwasserhebeanlagen Pumpen Aufbereitung Abwasserförderung Schmutzwasserpumpen Abwasserpumpen Entwässerungspumpen Abwasseraufbereitung Rückstauschutz Rückstausicherungen Schmutzwasserhebeanlagen Pumpentechnik Fäkalienhebeanlagen Funktionsarmaturen Doppelhebeanlagen Entwässerung Überdruckentwässerung Wasser-Anlagen Druckströmungs-Entwässerung AbwasseranlagenSTRATE bietet innovative Lösungen in der Abwassertechnik im Bereich Gebäudeentwässerung sowie für gewerbliche und kommunale Abwassersysteme:
AWALIFT Abwasserhebeanlagen für die Gebäudetechnik bis 150 EW
AWALIFT Abwasserhebeanlagen für die Gebäude und kommunale Anwendungen bis 300 EW
AWALIFT Abwasserhebeanlagen für kommunale Anwendungen
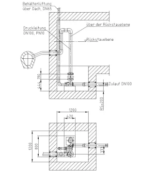
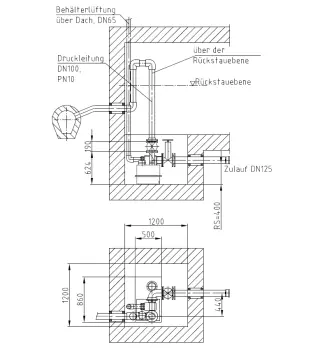
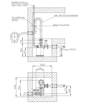
Zur Programmergänzung zählen Armaturen, Schächte, Spül- und Belüftungssysteme für den Einsatz in Druckentwässerungssystemen.
Ausführliche Details zur Produktserie "Abwasserhebeanlagen für Gebäude und kommunale Anwendungen"
Direkter Kontakt zu "STRATE"
Passende Inhalte zur Produktserie "Abwasserhebeanlagen für Gebäude und kommunale Anwendungen"
Passende Produkte 4 von 22
Alle anzeigenPassende Ausschreibungstexte 253
Alle anzeigenPassende CAD-Details
Downloads
Produktinfos zum Mitnehmen
Ähnliche Hersteller
Das könnte Sie auch interessieren































