STRATE Technologie
für Abwasser GmbH
Im Kirchenfelde 9 + 11
31157 Sarstedt
Deutschland
Alle Inhalte von STRATE
Produktserien Produktdaten Ausschreibungstexte CAD-Details Alle Inhalte anzeigenPassende Suchbegriffe zu STRATE
Entwässerungsanlagen Pumpen-Abwasserhebeanlagen Abwasserhebeanlagen Pumpen Aufbereitung Abwasserförderung Schmutzwasserpumpen Entwässerungspumpen Abwasserpumpen Pumpentechnik Rückstausicherungen Rückstauschutz Schmutzwasserhebeanlagen Fäkalienhebeanlagen Abwasseraufbereitung Funktionsarmaturen Doppelhebeanlagen Überdruckentwässerung Entwässerung Wasser-Anlagen Druckströmungs-Entwässerung AbwasseranlagenAbwasserhebeanlagen für Gebäude oder kommunale Anwendungen - Doppelanlagen
Aus der Serie Abwasserhebeanlagen für Gebäude und kommunale Anwendungen von STRATE
Beschreibung
Das patentierte STRATE System
schützt durch die patentierten Sperrstoffsammelräume beide Pumpen vor Verstopfen und Verschleiß. Im Abwasser enthaltene Feststoffe werden in Sperrstoffsammelräumen zurückgehalten, so dass während der Füllvorgänge nur „vorgereinigtes“ Abwasser in die Behälter gelangen kann. Bei den folgenden Fördervorgängen wird „vorgereinigtes“ Abwasser über die Pumpen durch die Sperrstoffsammelräume gefördert und spült die dort gesammelten Sperrstoffe rückstandsfrei mit dem Förderstrom in die angeschlossenen Druckrohrleitungen.
Bei den Abwasserhebeanlagen mit zwei Kreiselpumpen ist jeder einzelnen Pumpe ein eigener Sperrstoffsammelraum zugeordnet. Die Kombination von patentiertem Sperrstoffsammelraum und Kreiselpumpe steht für hohe Betriebssicherheit, Wirtschaftlichkeit und Bedienfreundlichkeit. AWALIFT-Abwasserhebeanlagen sind von der LGA gem. DIN EN 12050-1 bzw. -4 zertifiziert.
Füllvorgang beim patentierten STRATE-System mit Sperrstoffsammelraum
Paralleler Füll- und Fördervorgang beim patentierten STRATE-System mit Sperrstoffsammelraum
AWALIFT Abwasserhebeanlagen für Gebäude und kommunale Anwendungen
Patentiertes STRATE-System mit doppeltem Sperrstoffsammelraum schützt vor Verstopfungen und vorzeitigem Verschleiß (Patent EP 0744504B1)
AWALIFT Doppel-Abwasserhebeanlagen erfüllen alle Anforderungen nach DIN 1986-100 und DIN EN 12056-4
Anlagen sind nach DIN EN 12050-1 bzw. -4 zertifiziert und werden laufende durch die LGA geprüft und überwacht.
Anwendungsbereiche:
Entwässerung von Geschossen, deren Sanitärobjekte unterhalb der Rückstauebene liegen.
Entwässerung von Objekten, die nicht über natürliche Gefälle entwässert werden können.
Entwässerung von Objekten, die eine erhöhte Betriebssicherheit erfordern.
Wirtschaftlichkeit durch den Einsatz leistungsgerecht angepasster Motoren, hocheffizienter Pumpen und intelligenter Anlagensteuerung
Hohe Lebensdauer, zuverlässigen Einsatz und eine anwenderfreundliche Bedienung und Wartung: Stabile Konstruktionen aus Aluminiumguss, die zuverlässig vor Korrosion geschützt sind und hochwertigen Anlagenbauteile ermöglichen einen geräuscharmen Betrieb.
Hygiene und Sicherheit
AWALIFT Abwasserhebeanlagen für die Gebäudetechnik erfüllen als geschlossene, gas- und geruchsdichte Systeme hohe Anforderungen an Hygiene und Sicherheit. Im Bedarfsfall liefert STRATE Abwasserhebeanlagen für explosionsgefährdete Bereiche nach den ATEX Bestimmungen.
Die hohe Betriebssicherheit wird durch den Einsatz und den wechselseitigen Betrieb von zwei Pumpen, von denen jede die volle Anlagenleistung erbringt, erreicht. Damit werden auch hohe kommunale Anforderungen erfüllt. Weiterhin entfällt die Notwendigkeit zur Bereitstellung einer Reservepumpe.
100 % Rückstauschutz
Einen sicheren Schutz gegen Rückstau bietet der Einsatz einer Abwasserhebeanlage. Die DIN EN 12056-4 sieht als sicheren Schutz gegen Rückstau den Einbau einer Rückstauschleife vor. Abweichungen hiervon bedürfen der Genehmigung der zuständigen Behörde. Der Einsatz von Abwasserhebeanlagen ist auch empfehlenswert, wenn Vorschriften zu deren Einbau nicht zwingend sind, aber ein Risiko von Rückstauschäden gegeben ist. Dazu zählt insbesondere das Vorliegen einer großen Entfernung mit nicht ausreichendem natürlichem Gefälle zwischen Entwässerungspunkt und Anschlussstelle.
Flexible Aufstellung, einfache Installation
Die Aufstellung der Anlagen erfolgt direkt in Gebäuden. Bei der überwiegenden Anzahl der Installationen kann auf eine Grube verzichtet werden. Eine Installationen im Freien ist in Verbindung mit dem STRATE AWALIFT Schacht möglich.
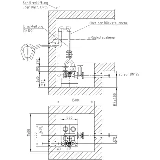
STRATE AWALIFT 74/2
Die STRATE-AWALIFT 74/2 wird zur Entwässerung von Mehrfamilienhäusern, Gewerbeobjekten, wie Krankenhäuser, Schulen, Hotels, Einkaufszentren, u.ä. und Objekten der Infrastruktur, wie Flughäfen, Gewerbeparks, U-Bahnanlagen, u.ä. eingesetzt. Die Objekte lassen sich nicht mit natürlichem Gefälle entwässern oder es ist ein besonderer Schutz gegen Rückstau erwünscht. Die Reservepumpe garantiert einen ausfallsicheren Betrieb. D ie Anlage kann direkt im Keller installiert werden, eine Grube ist nicht erforderlich. Bei der Installation im Freien wird der Einbau in den STRATE AWALIFT-Schacht empfohlen.
Abwasserhebeanlage AWALIFT 74/2 als Doppelpumpanlage nach DIN EN 12056-4 für fäkalienhaltiges Abwasser
Patentiertes Separator-System schützt beide Pumpen vor Verstopfen und vorzeitigem Verschleiß
LGA zertifiziert gemäß DIN EN 12050-1 bzw. -4
Trocken aufgestelltes System mit gasdichtem Behälter
Energiesparender Betrieb durch hydraulisch optimierte Pumpen und effizienten Motoren
Aluminiumgehäuse aus G-Al Si12 (Alu230) mit dauerhaft wirksamer Korrosionsschutzbeschichtung
Lange Lebensdauer
Geringer und einfacher Wartungsaufwand
Pumpensteuerung erfolgt über separate Steuerungstechnik, z.B. Kompaktsteuerung AWAmaster 2

Einbauvorschlag AWALIFT 74/2 Aufstellung innerhalb eines Gebäudes
Aus der Serie Abwasserhebeanlagen für Gebäude oder kommunale Anwendungen - Doppelanlagen von STRATE
Einbauvorschlag AWALIFT 74/2 Aufstellung innerhalb eines Gebäudes
Leistungsangaben / Platzbedarf:
Anlagenleistung je Pumpe: 4 m3/h - 200 EW
Förderhöhe: bis 22 m
Behälterinhalt: 107 l
Platzbedarf: 1500 mm x 1500 mm, oder Ø 1800 mm
Zubehör:
Armaturen und Anschlussteile
Handmembranpumpe zur Notentwässerung
Kellerentwässerungspumpe
Alarm- und Überwachungssysteme
STRATE AWALIFT-Schacht
STRATE Betriebsgebäude
STRATE Montage und Wartung
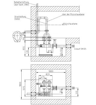
STRATE AWALIFT 0/2
Die STRATE-AWALIFT 0/2 wird zur Entwässerung von großen Mehrfamilienhäusern, Gewerbeobjekten, wie Krankenhäuser, Schulen, Hotels, Einkaufszentren, u.ä. und Objekten der Infrastruktur, wie Flughäfen, Gewerbeparks, U-Bahnanlagen, u.ä. eingesetzt. Die Objekte lassen sich nicht mit natürlichem Gefälle entwässern oder es ist ein besonderer Schutz gegen Rückstau erwünscht. Die Reservepumpe garantiert einen ausfallsicheren Betrieb. Die Anlage kann auch direkt im Keller installiert werden, eine Grube ist nicht erforderlich. Bei der Installation im Freien wird der Einbau in den STRATE AWALIFT-Schacht empfohlen.
Abwasserhebeanlage AWALIFT 0/2 als Doppelpumpanlage nach DIN EN 12056-4 für fäkalienhaltiges Abwasser
Patentiertes Separator-System schützt beide Pumpen vor Verstopfen und vorzeitigem Verschleiß
LGA zertifiziert gemäß DIN EN 12050-1 bzw. -4
Trocken aufgestelltes System mit gasdichtem Behälter
Energiesparender Betrieb durch hydraulisch optimierte Pumpen und effiziente Motoren
Aluminiumgehäuse aus G-Al Si12 (Alu230) mit dauerhaft wirksamer Korrosionsschutzbeschichtung
Lange Lebensdauer
Geringer und einfacher Wartungsaufwand
Pumpensteuerung erfolgt über separate Steuerungstechnik, z.B. Kompaktsteuerung AWAmaster 2

Einbauvorschlag AWALIFT 0/2 Aufstellung innerhalb eines Gebäudes
Aus der Serie Abwasserhebeanlagen für Gebäude oder kommunale Anwendungen - Doppelanlagen von STRATE
Einbauvorschlag AWALIFT 0/2 Aufstellung innerhalb eines Gebäudes
Leistungsangaben / Platzbedarf:
Anlagenleistung je Pumpe: 6,0 m3/h - 300 EW
Förderhöhe: bis 32 m
Behälterinhalt: 205 l
Platzbedarf: 1800 mm x 1800 mm, oder Ø 2000 mm
Montageöffnung: 1000 x 1000 mm
Zubehör:
Armaturen und Anschlussteile
Handmembranpumpe zur Notentwässerung
Kellerentwässerungspumpe
Alarm- und Überwachungssysteme
STRATE AWALIFT-Schacht
STRATE Betriebsgebäude
STRATE Montage und Wartung
Steuerungstechnik für AWALIFT Abwasserhebeanlagen
STRATE Kompaktsteuerung AWAmaster 2
Die Kompaktsteuerung in Mikroprozessortechnik wird zur Steuerung von STRATE-Abwasserhebeanlagen mit zwei Pumpen und einer installierten Motorleistung bis zu 5,5 kW je Pumpe eingesetzt. Speziell für die Gebäudetechnik - mit integriertem Alarmmelder, Wandmontage - auch ohne Schaltschrank.
Direkter Kontakt zu "STRATE"
Passende Inhalte zur Produktserie "Abwasserhebeanlagen für Gebäude oder kommunale Anwendungen - Doppelanlagen"
Passende Produkte
Passende Ausschreibungstexte
Passende CAD-Details
Downloads
Produktinfos zum Mitnehmen
Ähnliche Hersteller
Das könnte Sie auch interessieren













