
KESSEL SE + Co. KG
Bahnhofstr. 31
85101 Lenting
Deutschland
Alle Inhalte von KESSEL Entwässerungstechnik
Produktserien Produkte / BIM-Daten Ausschreibungstexte CAD-Details Architekturobjekte Alle Inhalte anzeigenPassende Suchbegriffe zu KESSEL Entwässerungstechnik
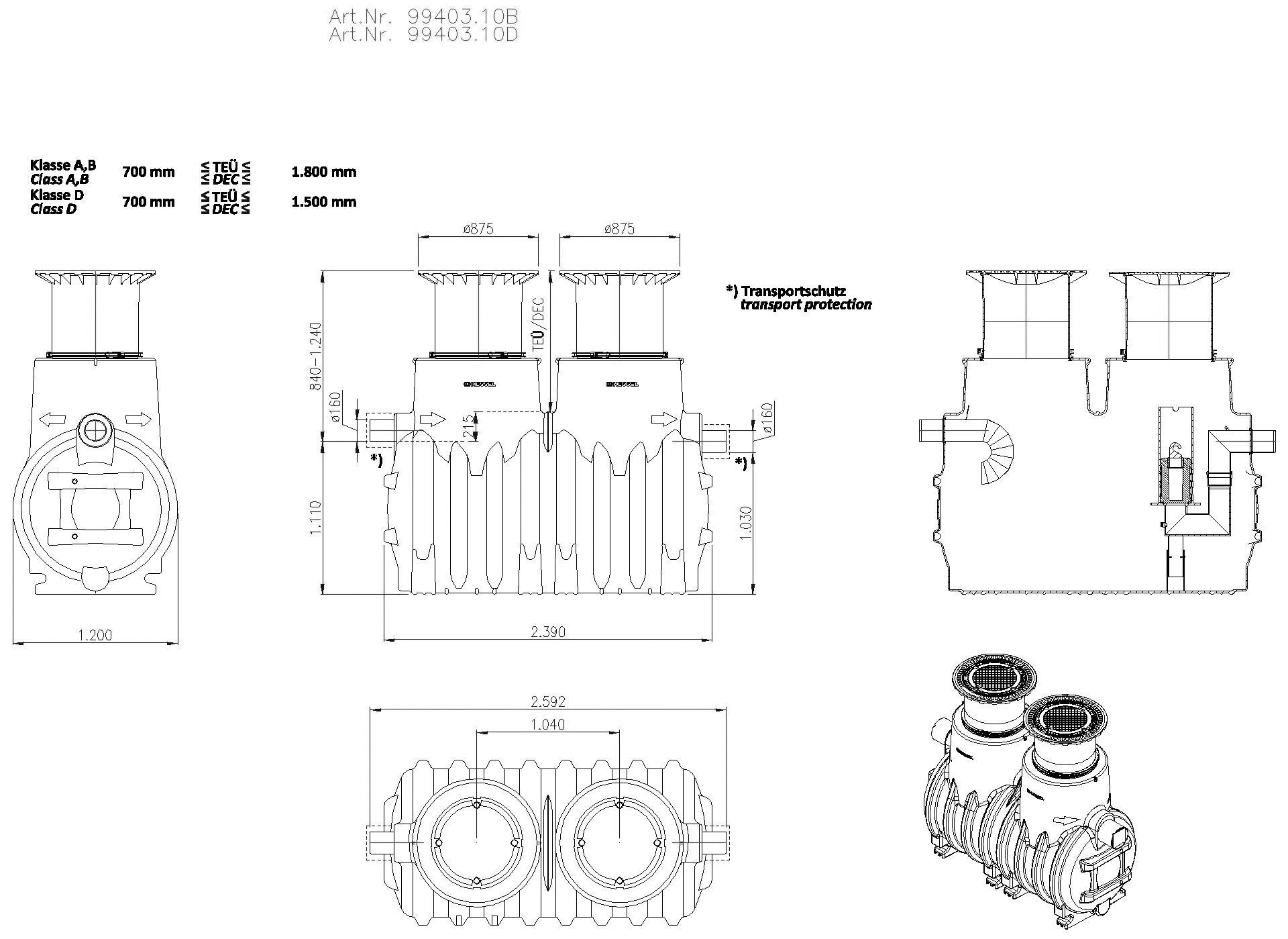
Rückstauschutz Abscheider Duschabläufe Abwasserhebeanlagen Duschrinnen Leichtflüssigkeitsabscheider Kläranlagen-Zubehör Entwässerungsanlagen Abläufe Entwässerung Ablauftechnik Ablauf-Zubehör Freispiegelentwässerung Böden Punktabläufe Punkt-Entwässerung Bodenentwässerung Fettabscheider Bodenabläufe Funktionsarmaturen Rückstauverschlüsse Sanitärräume Badezimmer ReinigungKESSEL-Öl-/Benzinabscheider EasyOil ground, NS 3, Sys. B, 1800 l, Bel.Kl. D
KESSEL Entwässerungstechnik

Passende Inhalte zum CAD-Detail "KESSEL-Öl-/Benzinabscheider EasyOil ground, NS 3, Sys. B, 1800 l, Bel.Kl. D"
Passende Produktserie
Passendes Produkt
Passende Ausschreibungstexte
Ähnliche Hersteller
Das könnte Sie auch interessieren