KESSEL SE + Co. KG
Bahnhofstr. 31
85101 Lenting
Deutschland
Alle Inhalte von KESSEL Entwässerungstechnik
Produktinformationen Produkte / BIM-Daten Ausschreibungstexte CAD-Details Architekturobjekte Alle Inhalte anzeigenPassende Suchbegriffe zu KESSEL Entwässerungstechnik
Rückstauschutz Abscheider Duschabläufe Abwasserhebeanlagen Duschrinnen Leichtflüssigkeitsabscheider Kläranlagen-Zubehör Entwässerungsanlagen Abläufe Entwässerung Ablauftechnik Ablauf-Zubehör Freispiegelentwässerung Böden Punkt-Entwässerung Punktabläufe Bodenentwässerung Fettabscheider Bodenabläufe Funktionsarmaturen Rückstauverschlüsse Badezimmer SanitärräumeÖl-/Benzinabscheider EasyOil ground, NS 6, Sys. B, 5800 l, Bel.Kl. B
KESSEL Entwässerungstechnik
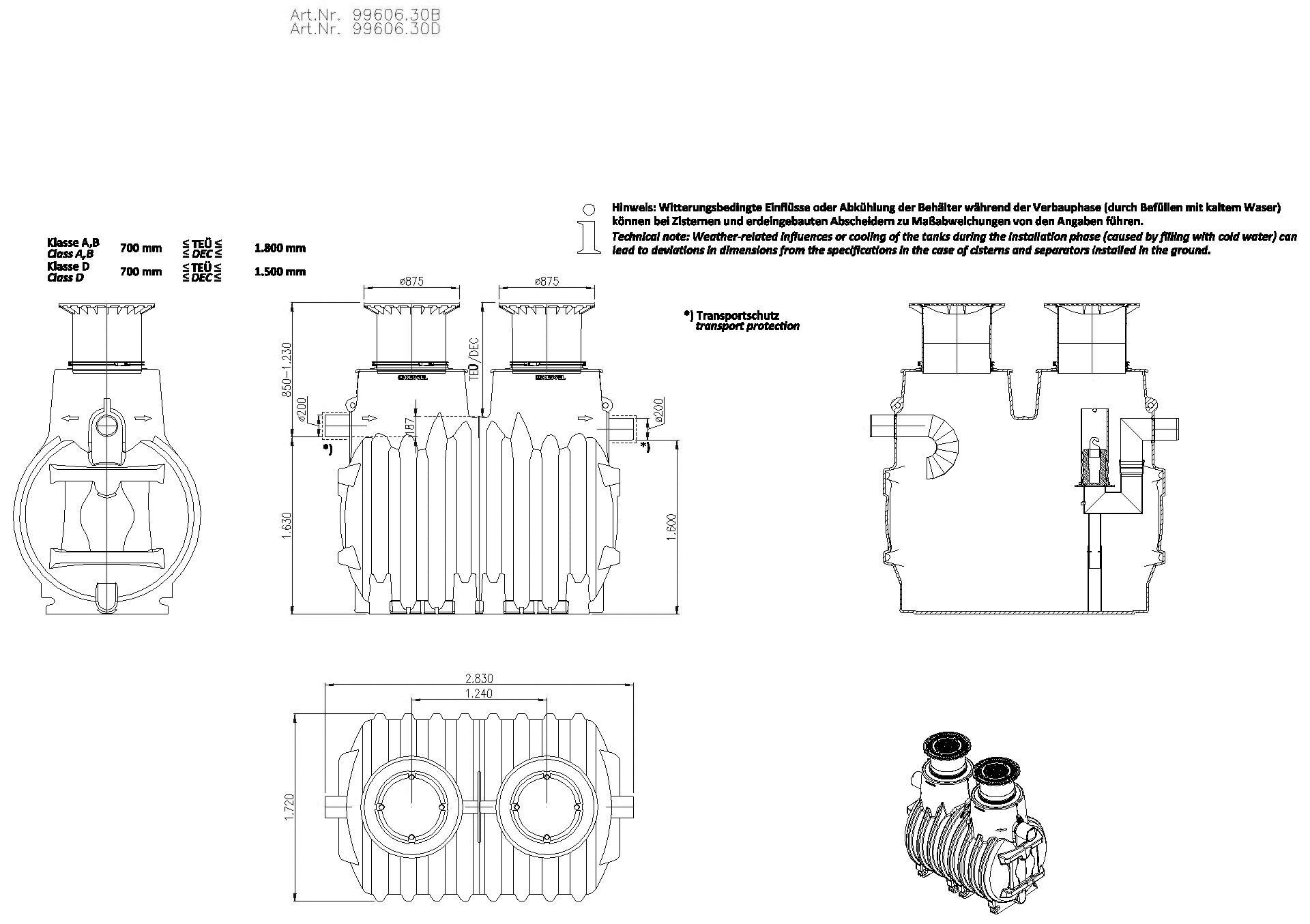
Der Abscheider für Leichtflüssigkeiten ist für den Erdeinbau geeignet. Der Sammelbehälter aus dauerhaft beständigem Kunststoff (PE) ist mit einem integrierten Schlammfang und einer selbsttätigen Verschlusseinrichtung ausgestattet. Eine oder mehrere tagwasserdichte Abdeckungen ermöglichen einen einfachen Zugang für Reinigungs- und Wartungsarbeiten. Bei Belastungsklasse D ist bauseits eine Lastverteilplatte zu verbauen. Die Bewehrungspläne sind bei KESSEL erhältlich. Bauseitiger Anschluss an Zu- und Auslauf mit PE-HD-Rohren nach DIN 19537, PVC-KG-Rohren nach DIN 19534, PP oder AS an werksseitigen Edelstahlrohrstutzen möglich. Bei der Wahl der passenden Dichtungen und Rohrmaterialien sind die gültigen Normen zu beachten. Gewährleistung auf den Werkstoff PE 20 Jahre.
Ausführung
Nenngröße (NS): 6
Entsorgungsart: manuell mit Saugschlauch
Koaleszenzeinsatz: nein
Tragfähigkeit (DIN 19901): E2
Allgemeine Merkmale
Material: PE
Einbausituation: Einbau ins Erdreich
Auslieferungszustand: installationsfertig (Verbindungsteile sind bauseits anzuschließen)
Zulassung: Z-83.8-55
Abscheiderklasse: System B (ehemals Klasse II)
Anwendungsspektrum für Leichtflüssigkeiten: von 0,85 bis 0,95 g/cm3
Abmessungen
Gewicht netto: 595 kg
Gewicht brutto: 595 kg
Grundwasserbeständigkeit ab Unterkante Bodenteil: 1810 mm
Überstand: 130 mm
TEÜ: 700 - 1.800
T-TEÜ: 180
Länge max.: 3460 mm
Einbautiefe: 870 - 1250 mm
Art der Höhenverstellbarkeit: teleskopisches Aufsatzstück, 5 Grad neigbar
Einbringmaß Länge: 3110 mm
Einbringmaß Breite: 1760 mm
Verpackungsmaß Länge: 3060 mm
Verpackungsmaß Breite: 1760 mm
Verpackungsmaß Höhe: 2300 mm
Behälter/Grundkörper
Abstand Rohrsohle Auslauf zu Behälterboden: 1600 mm
Abstand Rohrsohle Zulauf zu Behälterboden: 1630 mm
Auslauf Nennweite (DA): 200 mm
Auslauf Nennweite (DN): 200
Zulauf Nennweite (DA): 200 mm
Zulauf Nennweite (DN): 200
Lichte Weite Einstieg (LW): 600 mm
Abdeckungsmerkmale
Abdeckungsart: Abdeckplatte
Abdeckung Material: Grauguss
Abdeckung Farbe: schwarz
Abdeckung Breite: 648 mm
Abdeckung Höhe: 95 mm
Abdeckung Länge: 648 mm
Verriegelung: unverriegelt
Belastungsklasse: B 125 (EN 124)
Dichtheit: geruchs- und tagwasserdicht
Abwasserinhalt
Gesamtvolumen: 5800 l
Schlammfanginhalt: 5000 l
Speichermenge an Leichtflüssigkeit: 470 l
Steuerung
Schaltgerät: nein
Produktinformationen:
Öl-/Benzinabscheider EasyOil ground, NS 6, Sys. B, 5800 l, Bel.Kl. B
- Menge: ..........
- Einheit: Stk
- EP: ..........
- GP: ..........
Passende Inhalte zum Ausschreibungstext "Öl-/Benzinabscheider EasyOil ground, NS 6, Sys. B, 5800 l, Bel.Kl. B"
Passende Produktinformationen
Passendes Produkt
Passende CAD-Details
Ähnliche Hersteller
Das könnte Sie auch interessieren