KESSEL SE + Co. KG
Bahnhofstr. 31
85101 Lenting
Deutschland
Alle Inhalte von KESSEL Entwässerungstechnik
Produktserien Produkte / BIM-Daten Ausschreibungstexte CAD-Details Architekturobjekte Alle Inhalte anzeigenPassende Suchbegriffe zu KESSEL Entwässerungstechnik
Rückstauschutz Abscheider Duschabläufe Duschrinnen Abwasserhebeanlagen Leichtflüssigkeitsabscheider Kläranlagen-Zubehör Entwässerungsanlagen Abläufe Entwässerung Ablauftechnik Ablauf-Zubehör Freispiegelentwässerung Böden Punktabläufe Punkt-Entwässerung Bodenentwässerung Fettabscheider Bodenabläufe Funktionsarmaturen Rückstauverschlüsse Sanitärräume BadezimmerLeichtflüssigkeitssperre DN 100, Schlitzrost, mit GV
KESSEL Entwässerungstechnik
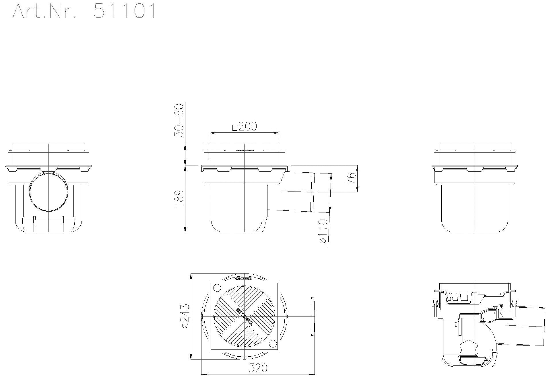
Die Leichtflüssigkeitssperre aus Kunststoff ist für den Einbau in die Bodenplatte geeignet und ist mit einem Geruchsverschluss und einem Schlammeimer ausgestattet. Das Aufsatzstück mit Schlitzrost ist teleskopisch höhenverstellbar.
Ausführung
Schlammeimer: ja
Sperrwasserhöhe: 50 mm
Ablaufleistung (l/s) mit 20 mm Aufstau: 1
Mechanische Rückstauklappen: 2
Allgemeine Merkmale
Norm: EN 1253-3
Nennweite (DN): 100
Außendurchmesser (DA): 110 mm
Rückstauschutz: Typ 5
Geruchsverschluss: inklusive
Abmessungen
Höhenverstellbarkeit: 30 - 90 mm
Gewicht netto: 2,37 kg
Gewicht brutto: 2,69 kg
Aussparungsmaß Breite: 250 mm
Aussparungsmaß Länge: 400 mm
Einbautiefe: 216 - 276 mm
Art der Höhenverstellbarkeit: teleskopisches Aufsatzstück
Länge: 320 mm
Breite: 243 mm
Verpackungsmaß Länge: 380 mm
Verpackungsmaß Breite: 295 mm
Verpackungsmaß Höhe: 257 mm
Behälter/Grundkörper
Material Grundkörper: Kunststoff
Abdeckungsmerkmale
Abdeckungsart: Schlitzrost
Abdeckung Material: Kunststoff
Abdeckung Farbe: schwarz
Abdeckung Breite: 188 mm
Abdeckung Länge: 188 mm
Belastungsklasse: K 3 (EN 1253-1)
Rahmen Breite: 200 mm
Rahmen Länge: 200 mm
Form Aufsatzstück: eckig
Aufsatzstück Material: Kunststoff
Schlammeimer: ja
Produktinformationen:
Leichtflüssigkeitssperre DN 100, Schlitzrost, mit GV
- Menge: ..........
- Einheit: Stk
- EP: ..........
- GP: ..........
Passende Inhalte zum Ausschreibungstext "Leichtflüssigkeitssperre DN 100, Schlitzrost, mit GV"
Passende Produktserie
Passendes Produkt
Passende CAD-Details
Ähnliche Hersteller
Das könnte Sie auch interessieren