KESSEL SE + Co. KG
Bahnhofstr. 31
85101 Lenting
Deutschland
Alle Inhalte von KESSEL Entwässerungstechnik
Produktserien Produkte / BIM-Daten Ausschreibungstexte CAD-Details Architekturobjekte Alle Inhalte anzeigenPassende Suchbegriffe zu KESSEL Entwässerungstechnik
Rückstauschutz Abscheider Duschabläufe Duschrinnen Abwasserhebeanlagen Leichtflüssigkeitsabscheider Kläranlagen-Zubehör Entwässerungsanlagen Abläufe Entwässerung Ablauftechnik Ablauf-Zubehör Freispiegelentwässerung Böden Punktabläufe Punkt-Entwässerung Bodenentwässerung Fettabscheider Bodenabläufe Funktionsarmaturen Rückstauverschlüsse Sanitärräume BadezimmerKellerablauf DN 100, Rost schwarz, 150 x 190 mm
KESSEL Entwässerungstechnik
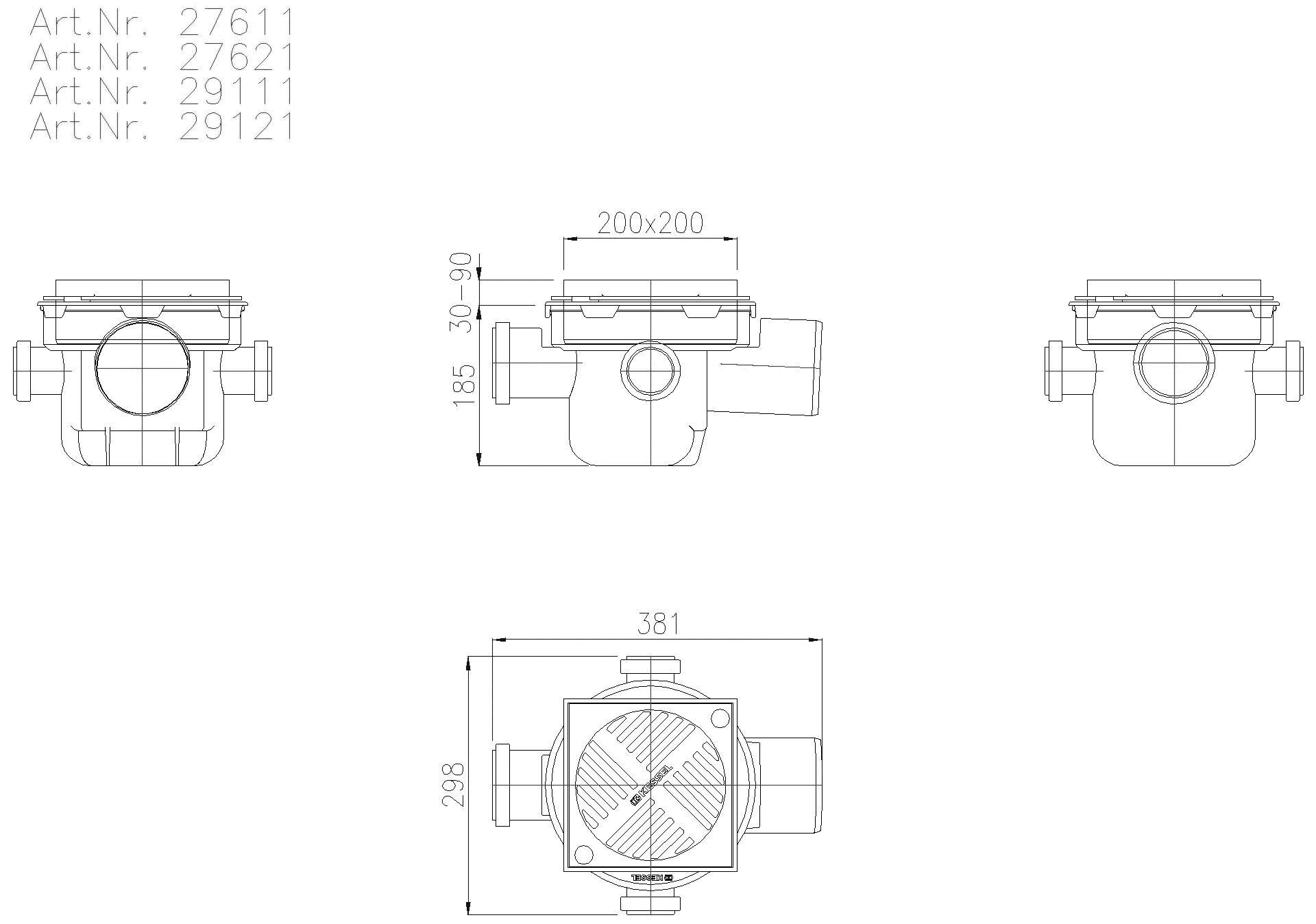
Der Kellerablauf aus Kunststoff zum Einbau in die Bodenplatte ist mit einem Geruchsverschluss und einem Schlammeimer ausgestattet. Das Aufsatzstück mit Schlitzrost ist teleskopisch höhenverstellbar.
Ausführung
Schlammeimer: ja
Sperrwasserhöhe: 50 mm
Ablaufleistung (l/s) mit 20 mm Aufstau: 1,8
Allgemeine Merkmale
Norm: EN 1253-1
Nennweite (DN): 100
Außendurchmesser (DA): 110 mm
Geruchsverschluss: inklusive
Abmessungen
Höhenverstellbarkeit: 25 - 55 mm
Gewicht netto: 1,37 kg
Gewicht brutto: 1,45 kg
Aussparungsmaß Breite: 190 mm
Aussparungsmaß Länge: 320 mm
Einbautiefe: 210 - 240 mm
Art der Höhenverstellbarkeit: teleskopisches Aufsatzstück
Länge: 285 mm
Breite: 170 mm
Verpackungsmaß Länge: 290 mm
Verpackungsmaß Breite: 170 mm
Verpackungsmaß Höhe: 200 mm
Behälter/Grundkörper
Material Grundkörper: PP
Stutzen Ausführung: waagrecht
Abdeckungsmerkmale
Abdeckungsart: Schlitzrost
Abdeckung Material: Kunststoff
Abdeckung Farbe: schwarz
Abdeckung Breite: 190 mm
Abdeckung Länge: 150 mm
Rahmen Material: Kunststoff
Verriegelung: eingelegt
Belastungsklasse: K 3 (EN 1253-1)
Rahmen Breite: 159 mm
Rahmen Länge: 200 mm
Aufsatzstück Material: Kunststoff
Schlammeimer: ja
Produktinformationen:
Kellerablauf DN 100, Rost schwarz, 150 x 190 mm
- Menge: ..........
- Einheit: Stk
- EP: ..........
- GP: ..........
Passende Inhalte zum Ausschreibungstext "Kellerablauf DN 100, Rost schwarz, 150 x 190 mm"
Passende Produktserie
Passendes Produkt
Passende CAD-Details
Ähnliche Hersteller
Das könnte Sie auch interessieren