KESSEL SE + Co. KG
Bahnhofstr. 31
85101 Lenting
Deutschland
Alle Inhalte von KESSEL Entwässerungstechnik
Produktserien Produkte / BIM-Daten Ausschreibungstexte CAD-Details Architekturobjekte Alle Inhalte anzeigenPassende Suchbegriffe zu KESSEL Entwässerungstechnik
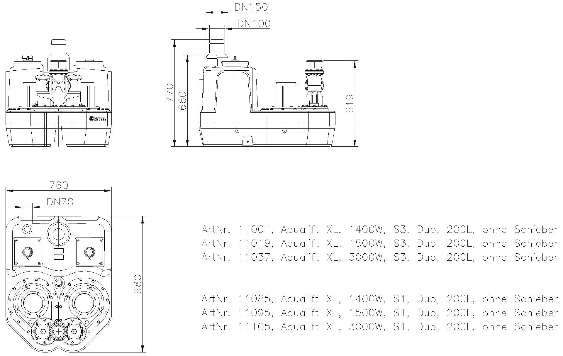
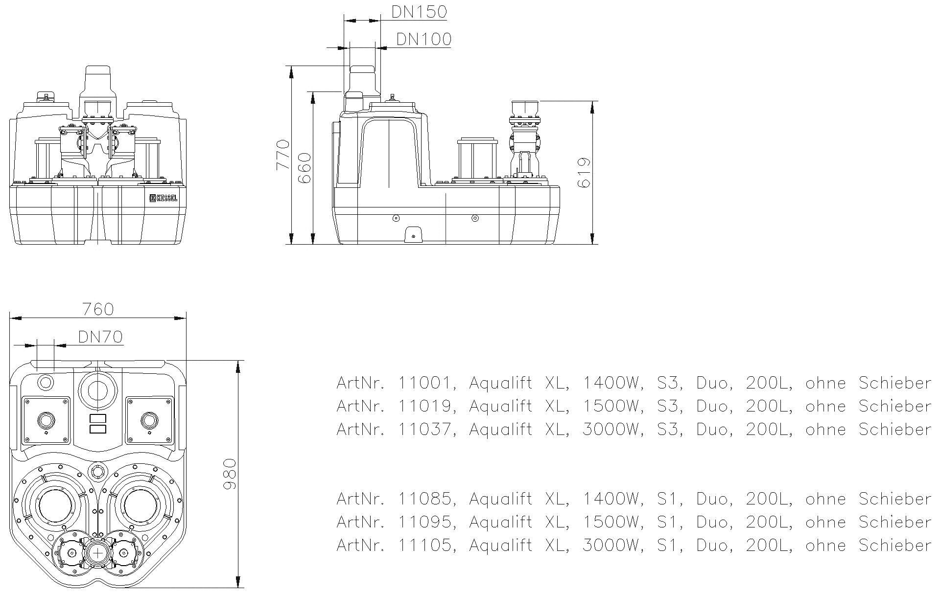
Rückstauschutz Abscheider Duschabläufe Duschrinnen Abwasserhebeanlagen Leichtflüssigkeitsabscheider Kläranlagen-Zubehör Entwässerungsanlagen Abläufe Entwässerung Ablauftechnik Ablauf-Zubehör Freispiegelentwässerung Böden Punktabläufe Punkt-Entwässerung Bodenentwässerung Fettabscheider Bodenabläufe Funktionsarmaturen Rückstauverschlüsse Sanitärräume BadezimmerHebeanlage Aqualift XL 200 l Duo, SPF 3000-S3
KESSEL Entwässerungstechnik
Die Hebeanlage für fäkalienhaltiges und fäkalienfreies Abwasser ist mit einer oder zwei überflutbaren Pumpen sowie einem Rückflussverhinderer ausgestattet. Der Sammelbehälter aus dauerhaft beständigem Kunststoff (PE) bietet universale Anschlussmöglichkeiten und hat eine verschraubte Reinigungsöffnung.
Ausführung
Anlagenart: Doppelanlage
Absperreinrichtung: ohne Schieber
Haltewinkel für die Auftriebssicherung: ja
Schalldämmmatte: ja
Pumpensteuerung: Schaltgerät
Rückflussverhinderer: integriert
Druckabgang: senkrecht
Allgemeine Merkmale
Farbe: schwarz
Norm: EN 12050-1
Abwasserart: fäkalienhaltig
Einbausituation: freie Aufstellung
Auslieferungszustand: installationsfertig (elektrische Komponenten, Verbindungsteile sind bauseits anzuschließen)
Anlagen Typ: Duo
Abmessungen
Gewicht netto: 102 kg
Gewicht brutto: 125 kg
Länge: 980 mm
Breite: 760 mm
Höhe: 788 mm
Verpackungsmaß Länge: 1650 mm
Verpackungsmaß Breite: 1150 mm
Verpackungsmaß Höhe: 890 mm
Behälter/Grundkörper
Druckabgang (DN): 100
Druckabgang (DA): 110 mm
Anschluss für Handmembranpumpe (DN): 32
Entlüftungsanschluss (DN): 70
Zulauf max. Anbohrung (DN): 200
Zulauf Nennweite (DA): 110 mm
Zulauf Nennweite (DN): 100
Zulauf Anzahl: 1
Nutzvolumen: 120 l
Behältervolumen: 200,00 l
Fördereinrichtung
Pumpe: SPF 3000-S3
Anzahl Pumpen: 2
Gewicht Pumpe: 24 kg
Anschlusstyp: Direktanschluss
Schutzklasse: I
Isolationsklasse: F
Cos phi - Leistungsfaktor: 0,89
Schutzart Pumpe: IP 68 (3m/48h)
Temperaturüberwachung: integriert
Förderguttemperatur (dauerhaft) max.: 40 °C
Förderleistung max.: 47 m³/h
Förderhöhe max.: 16 m
Drehzahl: 2845 U/min
Leistung P1: 3,2 kW
Leistung P2: 2,7 kW
Betriebsart: S3 - 50 %
Typ Anschlussleitung Pumpe: H07RN-F 7G 1,5 mm²
Laufrad Typ: Freistromrad
Freier Kugeldurchgang: 40 mm
Länge Netzanschlussleitung Pumpe: 5 m
Nennstrom: 5,4 A
Steuerung
Schaltgerät: Comfort
Motorschutz Schalter: ja
Alarmgeber: Tauchrohr
Instrument Niveauerfassung: Tauchrohr
Art Niveauerfassung: pneumatisch
Schutzart Schaltgerät: IP 54
Betriebsspannung: 400 V
Anschlusstyp: Direktanschluss
Potentialfreier Kontakt: ja
GSM-Schnittstelle: ja
Logbuchfunktion: ja
Mehrzeilige Displayanzeige: ja
Batteriepufferung: ja
Selbstdiagnosesystem (SDS): ja
Produktinformationen:
Hebeanlage Aqualift XL 200 l Duo, SPF 3000-S3
- Menge: ..........
- Einheit: Stk
- EP: ..........
- GP: ..........
Passende Inhalte zum Ausschreibungstext "Hebeanlage Aqualift XL 200 l Duo, SPF 3000-S3"
Passende Produktserie
Passendes Produkt
Passende CAD-Details 23
Alle anzeigenÄhnliche Hersteller
Das könnte Sie auch interessieren