KESSEL SE + Co. KG
Bahnhofstr. 31
85101 Lenting
Deutschland
Alle Inhalte von KESSEL Entwässerungstechnik
Produktserien Produkte / BIM-Daten Ausschreibungstexte CAD-Details Architekturobjekte Alle Inhalte anzeigenPassende Suchbegriffe zu KESSEL Entwässerungstechnik
Rückstauschutz Abscheider Duschabläufe Duschrinnen Abwasserhebeanlagen Leichtflüssigkeitsabscheider Kläranlagen-Zubehör Entwässerungsanlagen Abläufe Entwässerung Ablauftechnik Ablauf-Zubehör Freispiegelentwässerung Böden Punktabläufe Punkt-Entwässerung Bodenentwässerung Fettabscheider Bodenabläufe Funktionsarmaturen Rückstauverschlüsse Sanitärräume BadezimmerHebeanlage Aqualift L Pro Mono, Standard, SPF 3000-S3, Schieber
KESSEL Entwässerungstechnik
Die Hebeanlage für fäkalienhaltiges und fäkalienfreies Abwasser ist mit einer überflutbaren Pumpe sowie einem Rückflussverhinderer ausgestattet. Der Sammelbehälter aus dauerhaft beständigem Kunststoff (PE) bietet universale Anschlussmöglichkeiten und hat eine verschraubte Reinigungsöffnung.
Ausführung
Anlagenart: Einzelanlage
Absperreinrichtung: Schieber aus Kunststoff
Haltewinkel für die Auftriebssicherung: ja
Schalldämmmatte: ja
Pumpensteuerung: Schaltgerät
Rückflussverhinderer: integriert
Druckabgang: waagrecht
Allgemeine Merkmale
Farbe: schwarz
Norm: EN 12050-1
Abwasserart: fäkalienhaltig
Einbausituation: freie Aufstellung
Auslieferungszustand: installationsfertig (elektrische Komponenten, Verbindungsteile sind bauseits anzuschließen)
Anlagen Typ: Mono
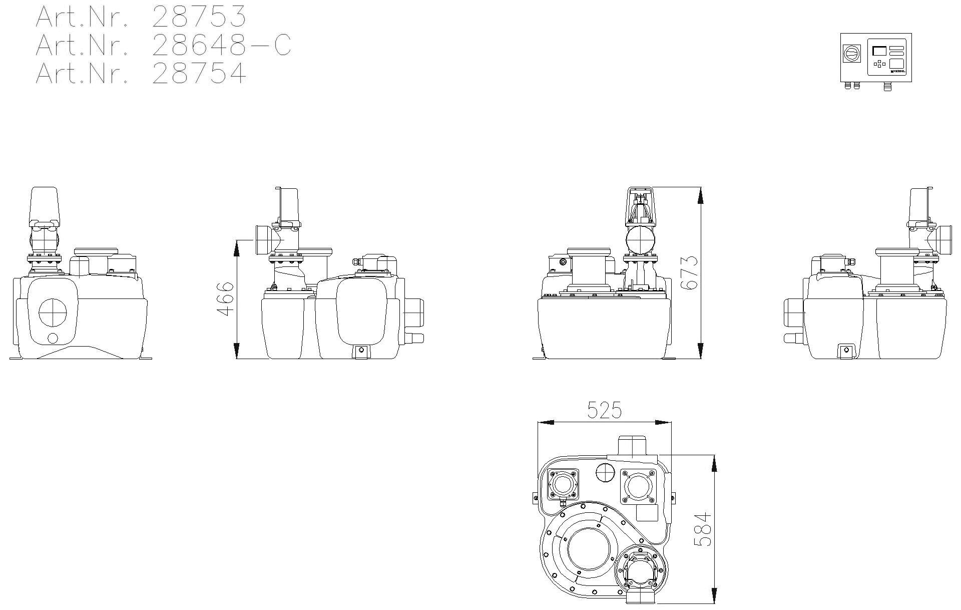
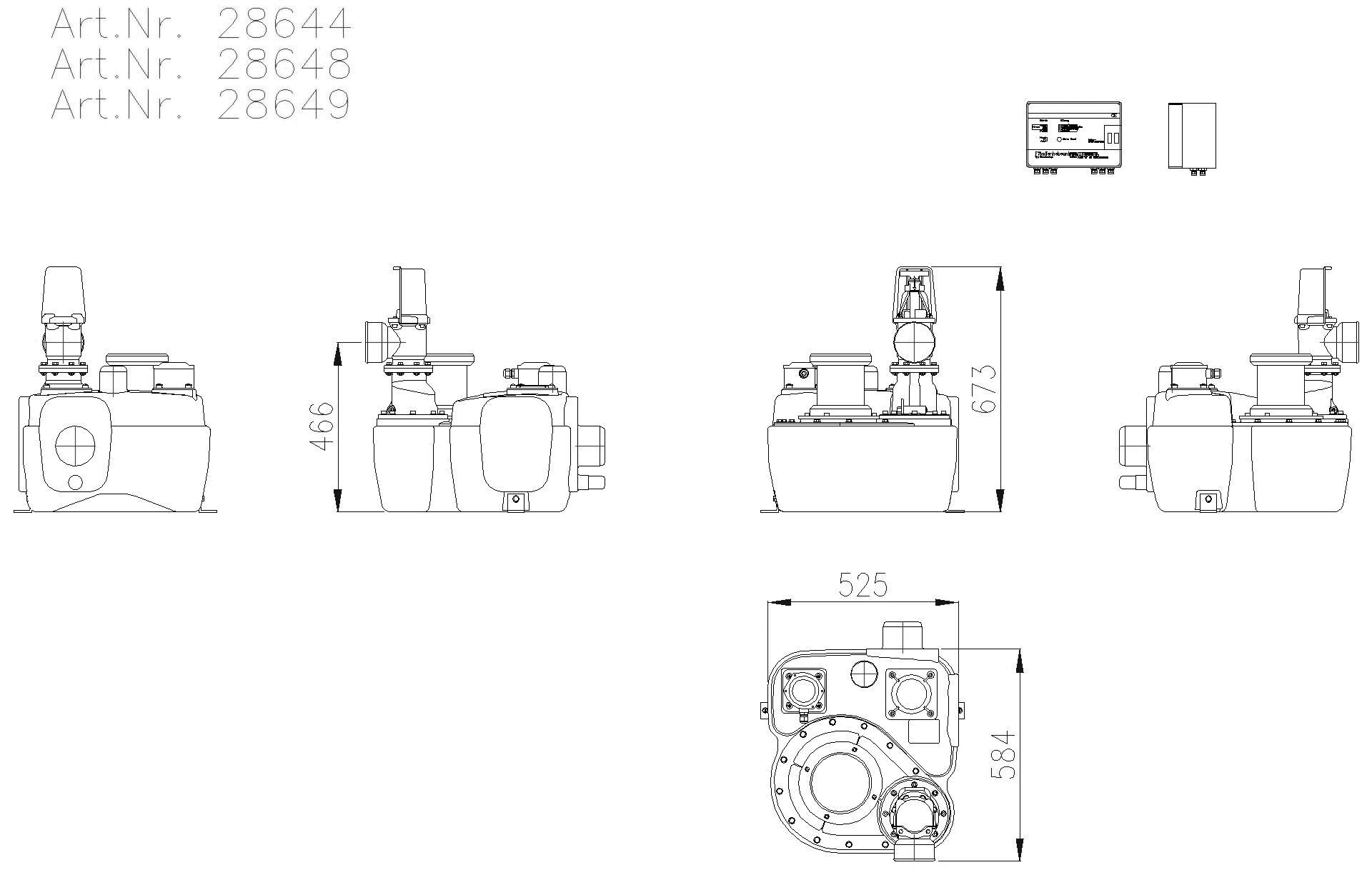
Abmessungen
Gewicht netto: 49,16 kg
Gewicht brutto: 50,45 kg
Länge: 564 mm
Breite: 525 mm
Höhe: 664 mm
Verpackungsmaß Länge: 645 mm
Verpackungsmaß Breite: 530 mm
Verpackungsmaß Höhe: 570 mm
Behälter/Grundkörper
Druckabgang (DN): 100
Druckabgang (DA): 110 mm
Anschluss für Handmembranpumpe (DN): 32
Entlüftungsanschluss (DN): 70
Abstand Rohrmitte Auslauf zu Behälterboden: 466 mm
Abstand Rohrsohle Zulauf zu Behälterboden: 125 mm
Abstand Rohrmitte Zulauf zu Behälterboden: 180 mm
Zulauf max. Anbohrung (DN): 150
Zulauf Nennweite (DA): 110 mm
Zulauf Nennweite (DN): 100
Zulauf Anzahl: 1
Nutzvolumen: 20 l
Behältervolumen: 50,00 l
Fördereinrichtung
Pumpe: SPF 3000-S3
Anzahl Pumpen: 1
Gewicht Pumpe: 24 kg
Anschlusstyp: Direktanschluss
Betriebsspannung: 400 V
Schutzklasse: I
Isolationsklasse: F
Cos phi - Leistungsfaktor: 0,89
Schutzart Pumpe: IP 68 (3m/48h)
Temperaturüberwachung: integriert
Förderguttemperatur (dauerhaft) max.: 40 °C
Förderleistung max.: 47 m³/h
Förderhöhe max.: 16 m
Drehzahl: 2845 U/min
Leistung P1: 3,2 kW
Leistung P2: 2,7 kW
Betriebsart: S3 - 50 %
Typ Anschlussleitung Pumpe: H07RN-F 7G 1,5 mm²
Laufrad Typ: Freistromrad
Freier Kugeldurchgang: 40 mm
Länge Netzanschlussleitung Pumpe: 5 m
Nennstrom: 5,4 A
Steuerung
Schaltgerät: Standard
Motorschutz Schalter: ja
Alarmgeber: Tauchrohr
Instrument Niveauerfassung: Tauchrohr
Art Niveauerfassung: pneumatisch
Schutzart Schaltgerät: IP 54
Betriebsspannung: 400 V
Anschlusstyp: Direktanschluss
Potentialfreier Kontakt: ja
Logbuchfunktion: ja
Mehrzeilige Displayanzeige: nein
Batteriepufferung: ja
Selbstdiagnosesystem (SDS): ja
Produktinformationen:
Hebeanlage Aqualift L Pro Mono, Standard, SPF 3000-S3, Schieber
- Menge: ..........
- Einheit: Stk
- EP: ..........
- GP: ..........
Passende Inhalte zum Ausschreibungstext "Hebeanlage Aqualift L Pro Mono, Standard, SPF 3000-S3, Schieber"
Passende CAD-Details
Ähnliche Hersteller
Das könnte Sie auch interessieren