KESSEL SE + Co. KG
Bahnhofstr. 31
85101 Lenting
Deutschland
Alle Inhalte von KESSEL Entwässerungstechnik
Produktserien Produkte / BIM-Daten Ausschreibungstexte CAD-Details Architekturobjekte Alle Inhalte anzeigenPassende Suchbegriffe zu KESSEL Entwässerungstechnik
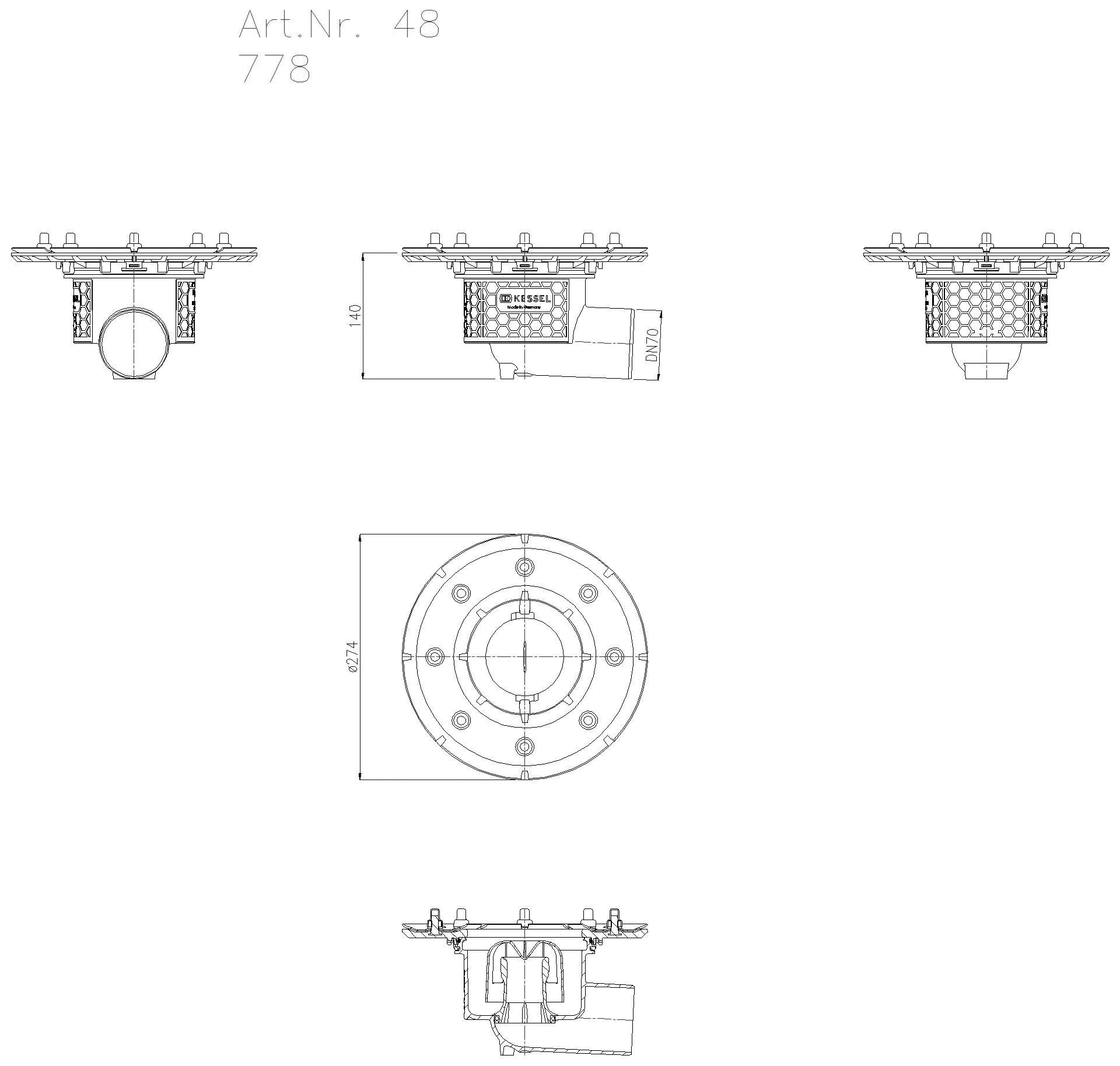
Rückstauschutz Abscheider Duschabläufe Duschrinnen Abwasserhebeanlagen Leichtflüssigkeitsabscheider Kläranlagen-Zubehör Entwässerungsanlagen Abläufe Entwässerung Ablauftechnik Ablauf-Zubehör Freispiegelentwässerung Böden Punktabläufe Punkt-Entwässerung Bodenentwässerung Fettabscheider Bodenabläufe Funktionsarmaturen Rückstauverschlüsse Sanitärräume BadezimmerGrundkörper Ecoguss Pressfl., DN 70, Auslauf seitlich
KESSEL Entwässerungstechnik
Der Grundkörper Ecoguss dient in Kombination mit einem Aufsatzstück der Punktentwässerung und ist mit einem herausnehmbaren Geruchsverschluss sowie einer Bauzeitschutzabdeckung ausgestattet. Der recyclingfähige Verbundwerkstoff Ecoguss erfüllt höchste Schallschutzanforderungen, ist beständig gegenüber aggressiven Medien, temperaturbeständig und besitzt eine dauerhaft korrosionsfreie Oberfläche. Er ist kurzfristig beflammbar von 100 bis zu 400 Grad Celsius. Der Klebeflansch mit Bolzen und Schrauben aus Edelstahl dient dem Einklemmen oder Aufschweißen von Bitumen- und Polymerbitumenbahnen sowie Kunststoff- und Elastomer-Dichtungsbahnen. Für wasserdichte Abdichtungen dürfen nur vom Hersteller geprüfte Dichtungsbahnen verwendet werden. Der Auslaufstutzen ist für den Anschluss an SML-Rohre geeignet. Mit Anschlussmöglichkeit für Potentialausgleich.
Ausführung
System: 125
Abdichtung am Grundkörper: Pressdichtungsflansch (geeignet zur Ausbildung von wasserdichten Abdichtungen)
Sperrwasserhöhe: 50 mm
Allgemeine Merkmale
Norm: EN 1253-1
Nennweite (DN): 70
Außendurchmesser (DA): 78 mm
Geruchsverschluss: inklusive
Abmessungen
Gewicht netto: 2,07 kg
Gewicht brutto: 2,36 kg
Durchmesser: 273 mm
Höhe: 147 mm
Verpackungsmaß Länge: 280 mm
Verpackungsmaß Breite: 280 mm
Verpackungsmaß Höhe: 260 mm
Behälter/Grundkörper
Auslauf Anzahl: 1
Material Grundkörper: Ecoguss resistant
Stutzen Ausführung: waagrecht
Produktinformationen:
Grundkörper Ecoguss Pressfl., DN 70, Auslauf seitlich
- Menge: ..........
- Einheit: Stk
- EP: ..........
- GP: ..........
Passende Inhalte zum Ausschreibungstext "Grundkörper Ecoguss Pressfl., DN 70, Auslauf seitlich"
Passende Produktserie
Passendes Produkt
Passendes CAD-Detail
Ähnliche Hersteller
Das könnte Sie auch interessieren