KESSEL SE + Co. KG
Bahnhofstr. 31
85101 Lenting
Deutschland
Alle Inhalte von KESSEL Entwässerungstechnik
Produktserien Produkte / BIM-Daten Ausschreibungstexte CAD-Details Architekturobjekte Alle Inhalte anzeigenPassende Suchbegriffe zu KESSEL Entwässerungstechnik
Rückstauschutz Abscheider Duschabläufe Duschrinnen Abwasserhebeanlagen Leichtflüssigkeitsabscheider Kläranlagen-Zubehör Entwässerungsanlagen Abläufe Entwässerung Ablauftechnik Ablauf-Zubehör Freispiegelentwässerung Böden Punktabläufe Punkt-Entwässerung Bodenentwässerung Fettabscheider Bodenabläufe Funktionsarmaturen Rückstauverschlüsse Sanitärräume BadezimmerFettabscheider EasyClean free NS 7, Direct, Schauglas
KESSEL Entwässerungstechnik
Der Abscheider für fetthaltiges Abwasser ist für die freie Aufstellung in frostgeschützten Räumen geeignet und verzichtet auf metallische Bauteile im Behälter. Der Sammelbehälter aus dauerhaft beständigem Kunststoff (PE) ist mit einem integrierten Schlammfang ausgestattet und besitzt ein konisch zulaufendes Bodenteil für eine schnelle und saubere Entsorgung. Zwei geruchsdichte Deckel mit Schnellspannverschlüssen ermöglichen einen einfachen Zugang für Reinigungs- und Wartungsarbeiten. Für die geruchsreduzierte manuelle Entsorgung ist ein Direktentsorgungsstutzen vorhanden. Nach der Entsorgung sind nur noch max. 3 Liter Schlammrestvolumen im Behälter vorhanden. Gewährleistung auf den Werkstoff PE 20 Jahre.
Ausführung
Entsorgungsvariante: Direct
Schredder-Mix-System: nein
Schauglas: ja
Nenngröße (NS): 7
SonicControl: nein
Entsorgungseinrichtung: Entsorgungsanschluss
Fülleinrichtung nach DIN 1988: nein
Entsorgungsart: manuell
Tragfähigkeit (DIN 19901): F3
Allgemeine Merkmale
Material: PE
Norm: EN 1825: 2004
Einbausituation: freie Aufstellung
Auslieferungszustand: installationsfertig (Verbindungsteile sind bauseits anzuschließen)
Lieferumfang: Storz-B-Kupplung R 2 1/2 " für Saugwagenanschluss
Dichtheit: geruchsdicht
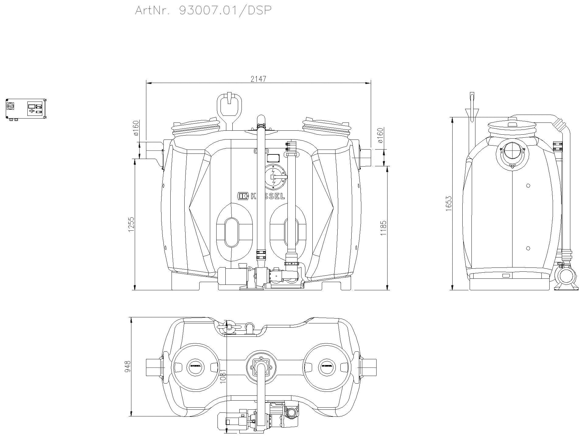
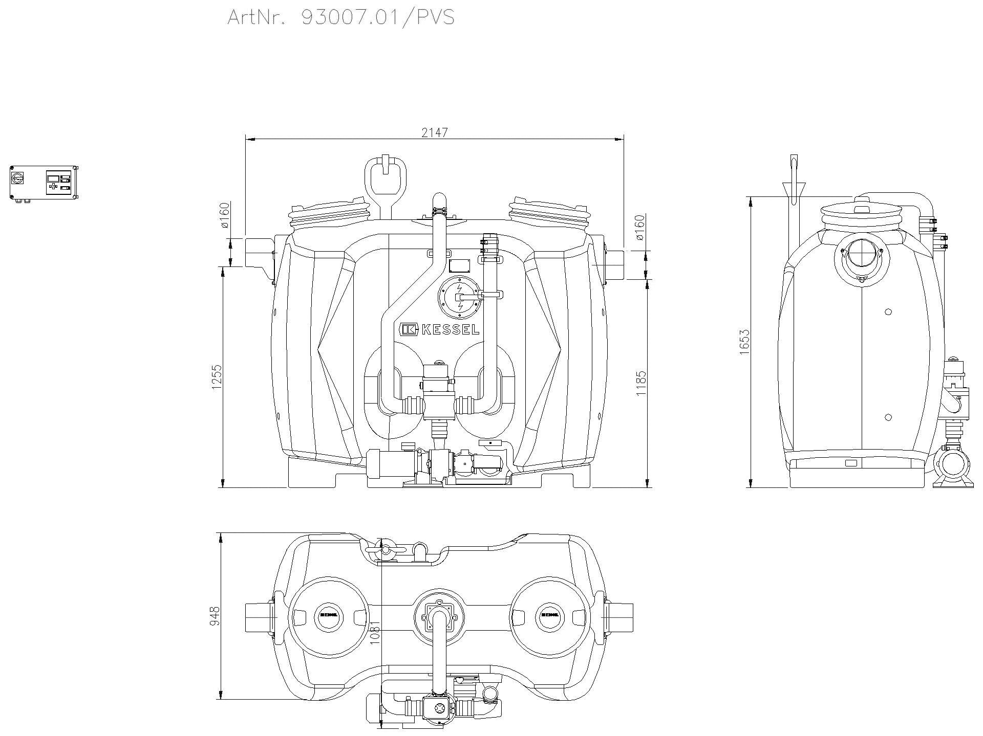
Abmessungen
Gewicht netto: 155 kg
Gewicht brutto: 185 kg
Aufstellfläche Länge: 2147 mm
Aufstellfläche Breite: 970 mm
Aufstellfläche Höhe: 1653 mm
Einbringmaß Länge: 1910 mm
Einbringmaß Breite: 940 mm
Einbringmaß Höhe: 1653 mm
Verpackungsmaß Länge: 2200 mm
Verpackungsmaß Breite: 1150 mm
Verpackungsmaß Höhe: 1700 mm
Behälter/Grundkörper
Nenndruck (PN): 10
Druckabgang (DN): 65
Druckabgang (DA): 75 mm
Abstand Rohrsohle Auslauf zu Behälterboden: 1185 mm
Abstand Rohrsohle Zulauf zu Behälterboden: 1255 mm
Auslauf Nennweite (DA): 160 mm
Auslauf Nennweite (DN): 150
Zulauf Nennweite (DA): 160 mm
Zulauf Nennweite (DN): 150
Anschluss Zu-/Auslaufstutzen: PE-HD-Rohre nach DIN 19537, HT-Rohre nach DIN 19560, PP oder AS
Wartungsöffnung: 420 mm
Abdeckungsmerkmale
Abdeckungsart: Deckel
Abdeckung Material: Kunststoff
Abdeckung Farbe: violett
Verriegelung: Schnellspannverschluss
Dichtheit: geruchsdicht
Abwasserinhalt
Abscheiderinhalt: 650 l
Gesamtvolumen: 1350 l
Schlammfanginhalt: 700 l
Speichermenge an Fett: 280 l
Steuerung
Schaltgerät: nein
Produktinformationen:
Fettabscheider EasyClean free NS 7, Direct, Schauglas
- Menge: ..........
- Einheit: Stk
- EP: ..........
- GP: ..........
Passende Inhalte zum Ausschreibungstext "Fettabscheider EasyClean free NS 7, Direct, Schauglas"
Passende Produktserie
Passendes Produkt
Passende CAD-Details 16
Alle anzeigenÄhnliche Hersteller
Das könnte Sie auch interessieren