KESSEL SE + Co. KG
Bahnhofstr. 31
85101 Lenting
Deutschland
Alle Inhalte von KESSEL Entwässerungstechnik
Produktserien Produkte / BIM-Daten Ausschreibungstexte CAD-Details Architekturobjekte Alle Inhalte anzeigenPassende Suchbegriffe zu KESSEL Entwässerungstechnik
Rückstauschutz Abscheider Duschabläufe Duschrinnen Abwasserhebeanlagen Leichtflüssigkeitsabscheider Kläranlagen-Zubehör Entwässerungsanlagen Abläufe Entwässerung Ablauftechnik Ablauf-Zubehör Freispiegelentwässerung Böden Punktabläufe Punkt-Entwässerung Bodenentwässerung Fettabscheider Bodenabläufe Funktionsarmaturen Rückstauverschlüsse Sanitärräume BadezimmerBodenablauf Ecoguss Pressfl. DN 50, seitl., Variofix, Designrost
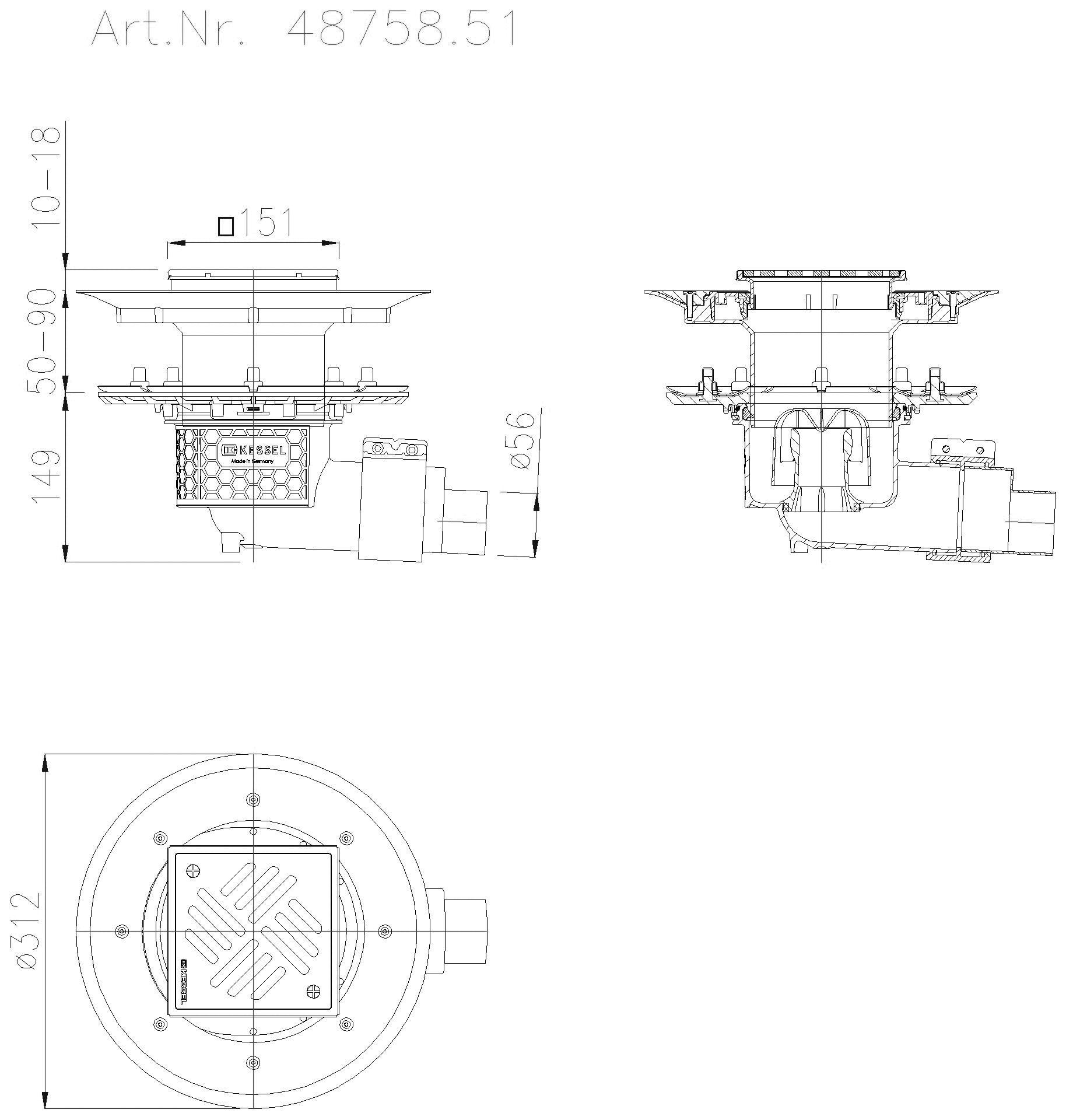
KESSEL Entwässerungstechnik
Der Boden-/Deckenablauf Ecoguss dient der Punktentwässerung und ist mit einem Pressdichtungsflansch sowie einem herausnehmbaren Geruchsverschluss, einer Lippendichtung und einer Bauzeitschutzabdeckung ausgestattet. Der recyclingfähige Verbundwerkstoff Ecoguss erfüllt höchste Schallschutzanforderungen, ist beständig gegenüber aggressiven Medien, temperaturbeständig und besitzt eine dauerhaft korrosionsfreie Oberfläche. Er ist kurzfristig beflammbar von 100 bis zu 400 Grad Celsius. Der Pressdichtungsflansch mit Bolzen und Schrauben aus Edelstahl dient dem Einklemmen oder Aufschweißen von Bitumen- und Polymerbitumenbahnen sowie Kunststoff- und Elastomer-Dichtungsbahnen. Für wasserdichte Abdichtungen dürfen nur vom Hersteller geprüfte Dichtungsbahnen verwendet werden. Der Auslaufstutzen ist für den Anschluss an SML-Rohre geeignet. Ein Potentialausgleich ist nicht erforderlich.
Ausführung
System: 125
Abdichtung am Aufsatzstück: zu verklebende beiliegende Dichtmanschette (bd) nach DIN 18534
Abdichtung am Grundkörper: Pressdichtungsflansch (geeignet zur Ausbildung von wasserdichten Abdichtungen)
Sperrwasserhöhe: 50 mm
Allgemeine Merkmale
Norm: EN 1253-1
Nennweite (DN): 50
Außendurchmesser (DA): 58 mm
Geruchsverschluss: inklusive
Abmessungen
Gewicht netto: 4,35 kg
Gewicht brutto: 5,34 kg
Durchmesser: 273 mm
Art der Höhenverstellbarkeit: teleskopisches Aufsatzstück
Länge: 273 mm
Breite: 273 mm
Verpackungsmaß Länge: 586 mm
Verpackungsmaß Breite: 386 mm
Verpackungsmaß Höhe: 400 mm
Behälter/Grundkörper
Auslauf Anzahl: 1
Material Grundkörper: Ecoguss resistant
Stutzen Ausführung: waagrecht
Abdeckungsmerkmale
Abdeckungsart: Designrost
Abdeckung Material: Edelstahl 1.4301 (V2A)
Abdeckung Farbe: silber
Abdeckung Breite: 120 mm
Abdeckung Länge: 120 mm
Bodenbelaghöhe min.: 10 mm
Oberfläche: geschliffen
Rahmen Material: Edelstahl 1.4301 (V2A)
Verriegelung: Lock & Lift
Belastungsklasse: L 15 (EN 1253-1)
Rost Design: Kessel
Rutschhemmklasse: R9 nach DIN 51130; C nach DIN 51097
Rahmen Breite: 132 mm
Rahmen Länge: 132 mm
Bodenbelaghöhe max.: 24 mm
Aufsatzstück: dreidimensional verstellbar
Form Aufsatzstück: eckig
Aufsatzstück Material: ABS
Produktinformationen:
Bodenablauf Ecoguss Pressfl. DN 50, seitl., Variofix, Designrost
- Menge: ..........
- Einheit: Stk
- EP: ..........
- GP: ..........
Passende Inhalte zum Ausschreibungstext "Bodenablauf Ecoguss Pressfl. DN 50, seitl., Variofix, Designrost"
Passende Produktserie
Passendes Produkt
Passende CAD-Details
Ähnliche Hersteller
Das könnte Sie auch interessieren