 
        
                    Friedrich Wolfarth
GmbH & Co. KG
Friedrich-Wolfarth-Str. 6
97990 Weikersheim
Deutschland
Alle Inhalte von WOLFA - Friedrich Wolfarth
Produktserien Ausschreibungstexte CAD-Details Alle Inhalte anzeigenPassende Suchbegriffe zu WOLFA - Friedrich Wolfarth
Tiefgaragen-Entwässerung Entwässerungsrinnen Entwässerungs-Roste Fassaden-Entwässerung Fensterbausysteme Flachrinnen GFK-Fassadenschächte Kellerlichtschächte Kellerlüftungsschächte Kellerfenstersysteme Kunststoff-Entwässerungsrinnen Kunststoff-Lichtschächte Linien-Entwässerung Lüftungsschächte Parkhaus-Entwässerung Schlitzrinnen Rinnensysteme Kunststoff-Rinnen Kunststoff-Roste Kunststoff-Stallfenster Gitterroste Fertigfensterelemente Fenster Kellerfenster GaragenEntwässerungssysteme aus GFK haben sich seit Jahrzehnten durch ihr geringes Gewicht und ihre Bruchunempfindlichkeit bewährt. Die Entwässerungsrinnen aus GFK werden in Bereichen eingesetzt, in denen besondere Haltbarkeit und Stabilität gefordert sind.
WOLFA Rinnenkörper werden aus glasfaserverstärktem Polyester im Heißpressverfahren hergestellt. Der duroplastische Kunststoff ist dauerhaft witterungsbeständig, das Material bleibt formstabil und wird nicht spröde. Außerdem ist es UV-beständig, ermüdet nicht und ist resistent gegenüber vielen Chemikalien.
Eignung – Materialeigenschaften
- tausalzbeständig 
- frostsicher 
- hitzebeständig 
- leichte Reinigung 
- UV-beständig 
- leichte Handhabung 
- chemikalienbeständig 
- extrem belastbar 
- umweltfreundliches Material 
Einsatz – Anwendungsbereiche
Fassaden- und Terrassenentwässerung, Entwässerung von Treppenaufgängen, Hofeinfahrten, öffentlichen Plätzen, Lagerhallen und gewerblichen Flächen sowie Trennung und Entwässerung von anderen versiegelten Flächen
Lieferprogramm Entwässerungssysteme
AquaStop – die Kammrinne ohne Rost
Entwässerungsrinnen ohne Abdeckung, besonders geeignet für die Tiefgaragen- und Parkhausentwässerung
- Flachrinnen ohne Abdeckung: AquaStop Mini, AquaStop Klassik, AquaStop Ultra, AquaStop Ultra 150, AquaStop Maxi, AquaStop Premium 
- Drainagerinnen ohne Abdeckung: AquaStop Drain 150 
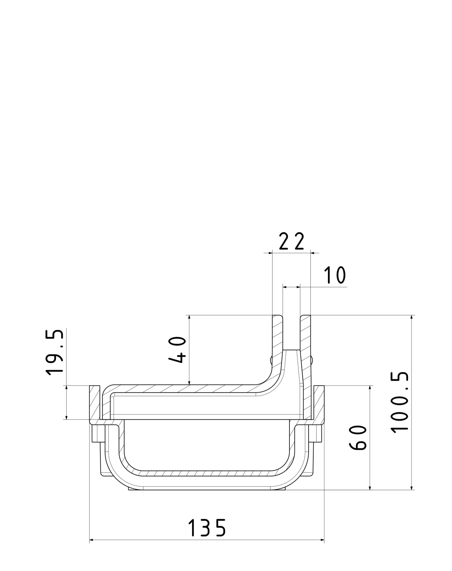
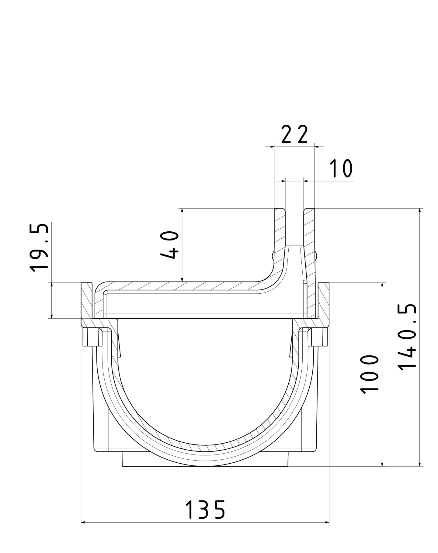
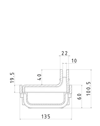
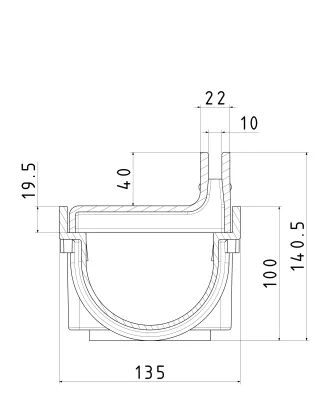
GFK-Rinnen - leicht und robust
- Flachrinnen: Typ 100/6, Typ 100/6V, Typ 150F und Typ 200F 
- Kastenrinnen: Typ 100/8,5S, Typ 100/8V, Typ 100/10T, Typ 100V-Line 
- Maxi Kastenrinnen: Typ 150V-Line, Typ 200V-Line, Typ 150K 
- Schlitzrinnen: Typ 100/6VS, Typ 100/8VS, Typ 100/VS-Line 
- Hofeinlaufkasten: passend für alle Rinnen 
Drainagerinnen – praktisch und unauffällig für Terrassen und Fassaden
Entwässerungsrinnen komplett mit Abdeckung für die Terrassen- und Fassadenentwässerung
- Drainage-Rinnen Fixo 110 und Fixo 150, aus Stahl, verzinkt 
- Drainagerinnen ohne Abdeckung: AquaStop Drain 150, aus GFK 
- Flachrinnen: Typ 100/6VD, aus GFK 
Zubehör – passend für alle Systeme
Passendes Zubehör für den Anschluss, die Montage sowie die Reinigung und Wartung der WOLFA Entwässerungssysteme.
Ausführliche Details zur Produktserie "Entwässerungssysteme aus GFK"
Direkter Kontakt zu "WOLFA - Friedrich Wolfarth"
Passende Inhalte zur Produktserie "Entwässerungssysteme aus GFK"
Passende Ausschreibungstexte 202
Alle anzeigenPassende CAD-Details 113
Alle anzeigenDownloads
Produktinfos zum Mitnehmen
Ähnliche Hersteller
Das könnte Sie auch interessieren
- Parkdeckrinnen, Parkdeckschwerlastrinne und Parkdeckbodenabläufe
- Linienentwässerung Infrastruktur: Parkhaus, Parkdeck, Tiefgaragen
- Drainage mit SitaDrain Entwässerungs- und Fassadenrinnen
- Fassadenrinnen
- Fassadenrinnen und Dachaufsätze aus Edelstahl
- BIRCOSchlitzaufsätze und Schlitzrinnen - Unsichtbare Entwässerungslösungen
- BIRCOtopline® - Stahlrinnen im anwenderfreundlichen Baukastensystem
 
                                                             
                                                             
                                                             
                                                             
                                                             
                                                             
                                                             
                                                             
                                                             
                                                             
                                                             
                                                             
                                                             
                                                             
                                                             
                                                             
                                                             
                                                             
                                                             
                                                             
                                                             
                                                             
                                                             
                                                             
                                                             
                                                             
                                                             
                                                             
                                                             
                                                             
                                                             
                                                             
                                                             
                                                             
                                                             
                                                             
                                                             
                                                             
                                                             
                                                             
                                                             
                                                             
                                                             
                                                             
                                                             
                                                             
                                                             
                                                             
                                                             
                                                             
                                                             
                                                             
                                                             
                                                             
                                                             
                                                             
                                                             
                                                             
                                                             
                                                             
                                                             
                                                             
                                                             
                                                             
                                                             
                                                             
                                                             
                                                             
                                                             
                                                             
                                                             
                                                             
                                                             
                                                             
                                                             
                                                             
                                                             
                                                             
                                                             
                                                             
                                                             
                                                             
                                                             
                                                             
                                                             
                                                             
                                                             
                                                             
                                                             
                                                             
                                                             
                                                             
                                                             
                                                             
                                                             
                                                             
                                                             
                                                             
                                                             
                                                             
                                                            


































































































 
                                                                 
                                                                 
                                                                 
                                 
                                