SCHELL GmbH & Co. KG Armaturen
Raiffeisenstr. 31
57462 Olpe
Deutschland
Alle Inhalte von SCHELL
Produktserien Produkte / BIM-Daten Ausschreibungstexte CAD-Details Architekturobjekte Alle Inhalte anzeigenPassende Suchbegriffe zu SCHELL
Sanitärarmaturen Sanitäranlagen Sanitärauslaufarmaturen Armaturen Trinkwasserarmaturen Funktionsarmaturen Sanitärarmaturen-Zubehör Waschbecken Eckventile Spülarmaturen Auslaufarmaturen Waschtischarmaturen Wasserarmaturen Spülarmaturen-Zubehör Duschen Unterputz-Armaturen Toiletten Versorgungsarmaturen Duschanlagen Mischbatterien Wascharmaturen WC-AnlagenDownloads
Produkteigenschaften
Produktkategorie
Sanitärarmaturen
Eckventile
Technische Bauteile
Sanitäranlagen
Medien, Stoffe
Wasser
Brauchwasser
Trinkwasser
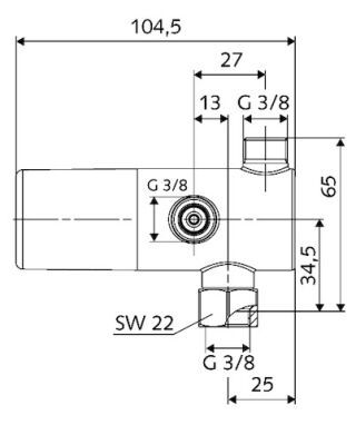
Abmessungen abzweigender Anschluss
Abzweigender Anschluss
Anschlussmaß Zufuhr
Anschluss Vorlauf
Bedienung
Schließmechanismus
Abschließbar
Durchflussbegrenzer
Mit Abdeckrosette
Mit Entleerventil
Mit Filter
Geräuschklasse
Gruppe I,<= 20 dB(A)
Leitungsset mitgeliefert
nein
Passende Inhalte zum Produkt "SCHELL Eckventil-Thermostatset"
Passende Ausschreibungstexte
Passende CAD-Details
Ähnliche Hersteller
Das könnte Sie auch interessieren
- Duschsysteme: Bodengleiche Duschen, Abläufe und Zubehör
- Geberit ONE – vollintegrierte Badlösungen
- Waschtischarmaturen, berührungslos gesteuert oder als Selbstschlussarmatur
- Geberit Bambini - Lösungen für Kindergärten und Schulen
- Durchlauferhitzer, Kochendwassergeräte
- Klein-, Wand- und Standspeicher
- F7 Wascharmaturen aus Edelstahl, elektronisch gesteuert