Text 21 von 28

Rauchschutz-Nachrüstsystem

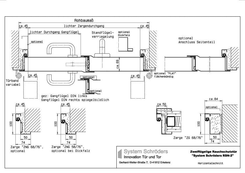
System Schröders Türen + Tore


Der von Ihnen ausgewählte Ausschreibungstext ist Bestandteil einer herstellerspezifischen Zusammenstellung von Leistungsbeschreibungen. Für eine optimale Vorschau und leichtere Auswahl der gewünschten Texte leiten wir Sie zu unserem Ausschreibungstext-Manager weiter.

Diese Zusammenstellung beinhaltet 2 Einzelpositionen.

Passende Inhalte zum Ausschreibungstext "Rauchschutz-Nachrüstsystem"

Passende Produktinformationen

Rauchschutztüren mit Drehflügel
Die Modul System Schröders Rauchschutztüren mit Drehflügel sind sowohl nach Zulassung gemäß DIN 4102 als auch für Außentüren und Tore nach europäischem Standard EN 16034 lieferbar. Sobald die Produktnorm für Innentüren veröffentlicht wurde, sind System Schröders Rauchschutztüren nach EN 16034 umgehend auch als Innentüren lieferbar.
Nachrüst-Rauchschutzsystem
Nachrüst-Rauchschutzsystem für Rauchschutznachrüstung für bestehende ein- und auch zweiflügeligeTüren
System Schröders Türen FLAT
Flächenbündige Feuerschutztüren für anspruchsvolle Einsatzbereiche: Anspruchsvolle Bauprojekte stellen hohe Anforderungen an die Leistungsfähigkeit von Brandschutzabschlüssen. Für Architekten und Planer spielen zudem optische Aspekte eine wichtige Rolle. Die System Schröders Feuerschutztüren FLAT tragen dem Rechnung. Sie fügen sich funktional und optisch in das Gesamtprojekt.
System Schröders Leichtlauftüren mit Gleitlagern
System Schröders bietet für alle seine bewährten Sicherheitstüren neuartige Leichtlaufbänder. Deren patentierte Gleitlager reduzieren die erforderlichen Öffnungskräfte gegenüber Kugellagern konventioneller Türbänder um 50 % bis 60 %.

Bitte melden Sie sich an

Um diese Funktion nutzen zu können, müssen Sie bei heinze.de registriert und angemeldet sein.

Hier anmelden

Diese Seite weiterempfehlen

1489909225