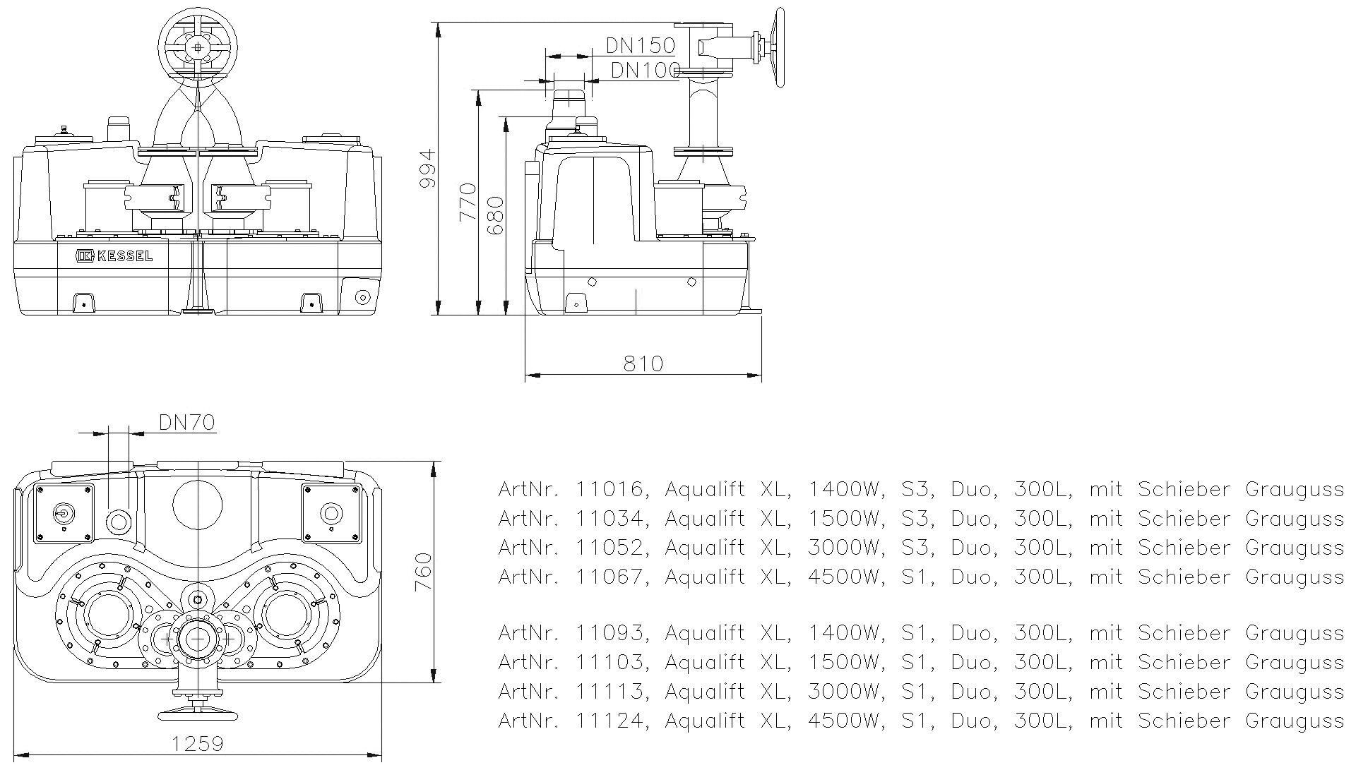
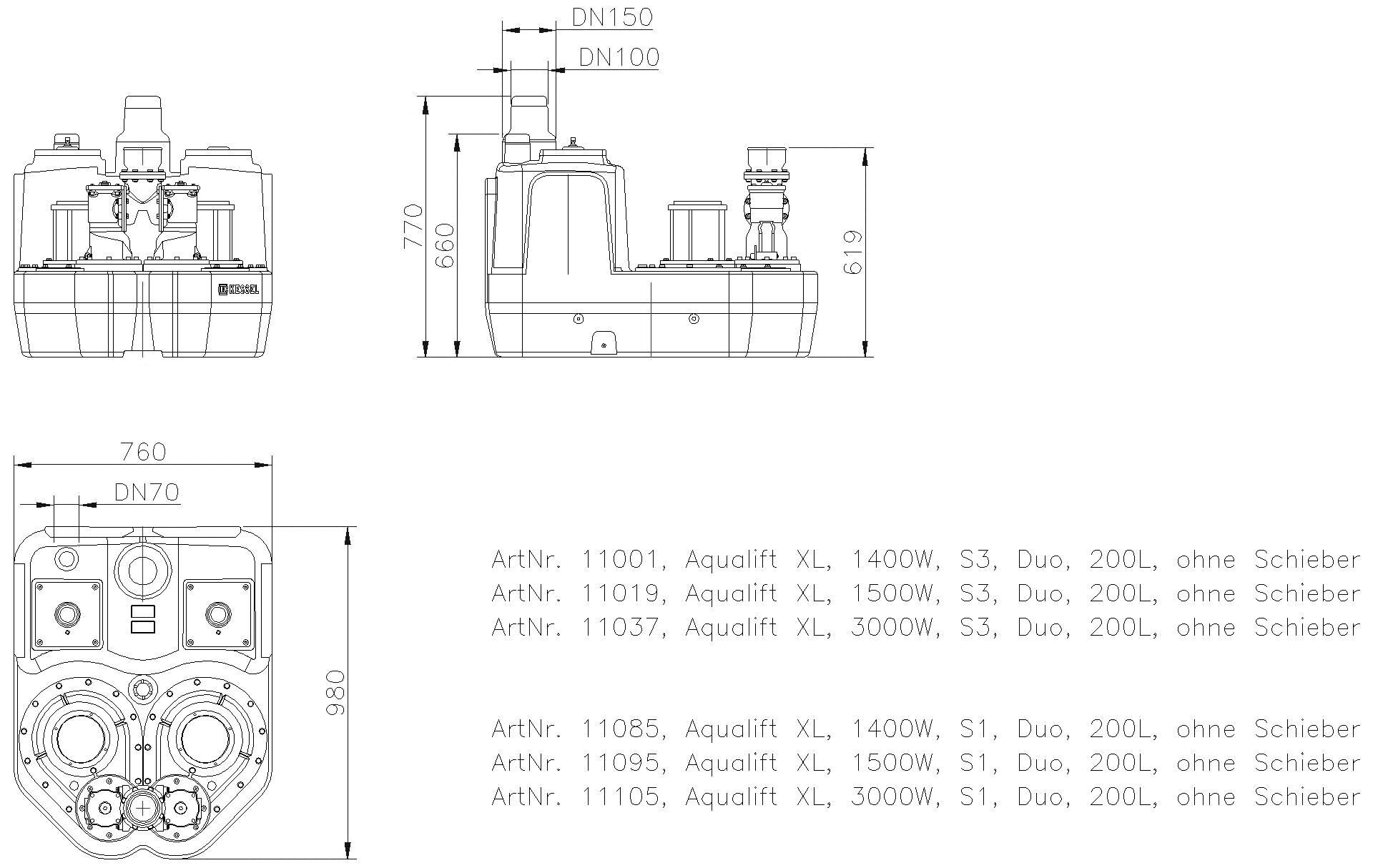
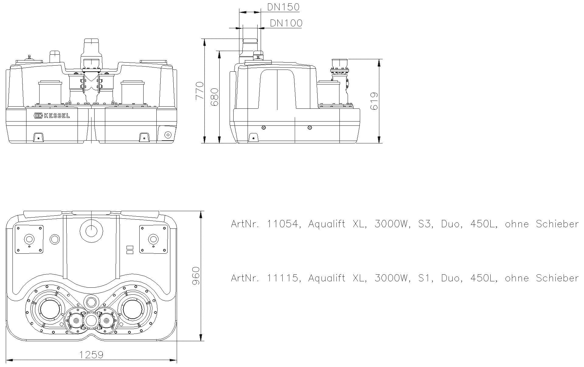
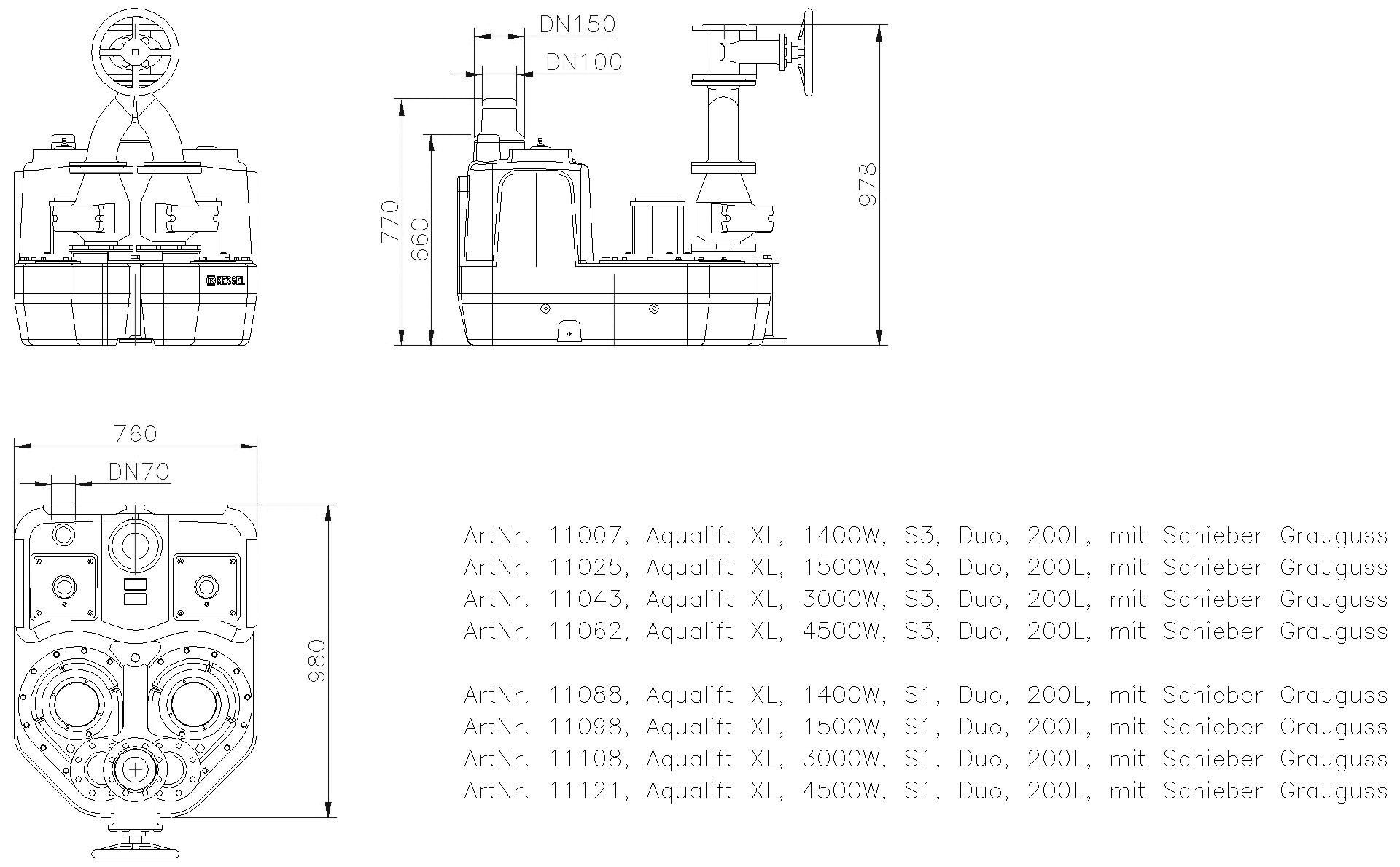
762

CAD-Details zu Abwasserhebeanlagen

Hier finden Sie Konstruktionszeichnungen, Ausführungsdetails und technische Zeichnungen zum Produktbereich Abwasserhebeanlagen in den wichtigsten CAD-Formaten (DWG und DXF).

Auswahl filtern

Abwasserhebeanlagen
Abwasserhebeanlagen

ACO Haustechnik

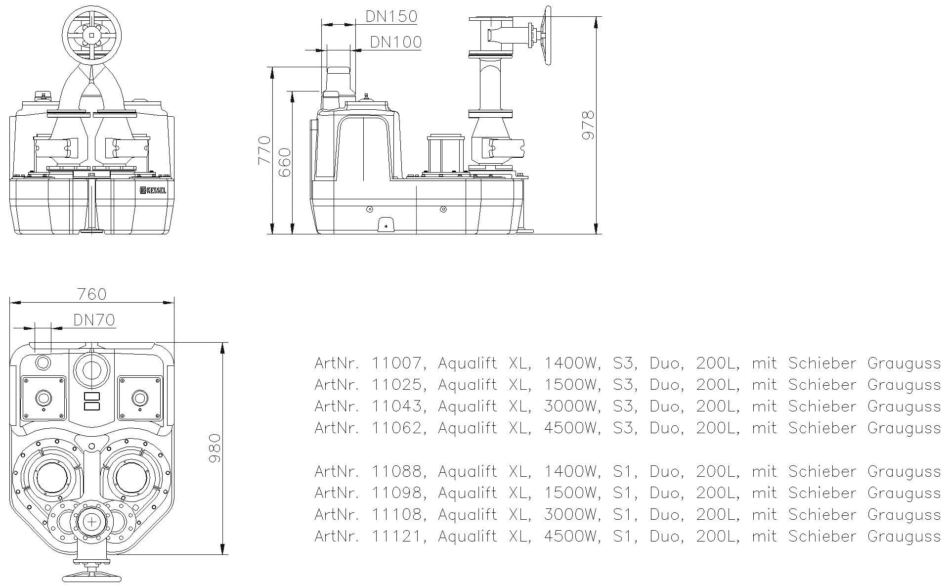
56 CAD-Details zum Thema Abwasserhebeanlagen
Komponenten

ACO Haustechnik

206 CAD-Details zum Thema Abwasserhebeanlagen
Zubehoer

ACO Haustechnik

322 CAD-Details zum Thema Abwasserhebeanlagen

Bitte melden Sie sich an

Um diese Funktion nutzen zu können, müssen Sie bei heinze.de registriert und angemeldet sein.

Hier anmelden
1308955010